Запчасти Komatsu S6D102E-1BB-C МАСЛ. ЩУП(№77-) ДВИГАТЕЛЬ

Схема запчастей Komatsu S6D102E-1BB-C - МАСЛ. ЩУП(№77-) ДВИГАТЕЛЬ
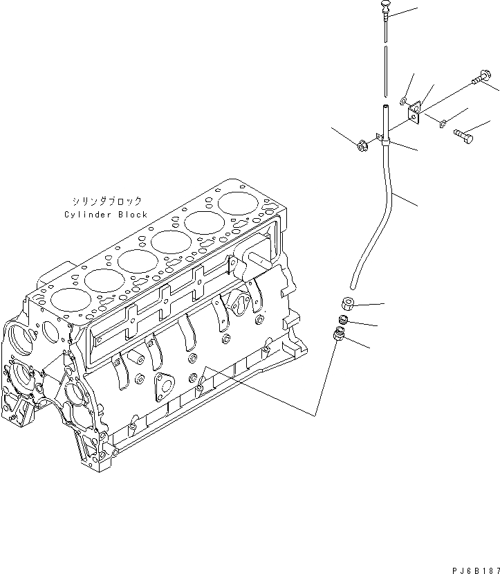
1
2
3
4
5
6
7
8
9
10
10
11
FIT
1:1
100%

Артикул

Название

Примечание

Количество

1

6735-21-5440

BASE,GUIDE

SN: 26277165-UP

1шт.

2

6735-21-5640

GUIDE,GAUGE

SN: 26277165-UP

1шт.

3

6150-21-5920

COLLAR

SN: 26277165-UP

1шт.

4

6150-21-5930

NUT

SN: 26277165-UP

1шт.

5

6144-21-5590

CLAMP

SN: 26277165-UP

1шт.

6

01435-01025

BOLT

SN: 26277165-UP

1шт.

7

01584-01008

NUT

SN: 26277165-UP

1шт.

8

6204-25-5310

GAUGE,OIL

SN: 26277165-UP

1шт.

9

6735-21-5650

BRACKET

SN: 26277165-UP

1шт.

10

01643-51232

WASHER

SN: 26277165-UP

2шт.

11

01050-51220

BOLT

SN: 26277165-UP

1шт.

Выбрано товаров: 11