Запчасти Komatsu S6D102E-1BB КРЕПЛЕНИЕ ТОПЛ. НАСОСА И ПРИВОД(№98-) ДВИГАТЕЛЬ

Схема запчастей Komatsu S6D102E-1BB - КРЕПЛЕНИЕ ТОПЛ. НАСОСА И ПРИВОД(№98-) ДВИГАТЕЛЬ
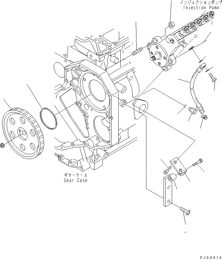
1
2
3
4
5
6
7
8
9
10
11
11
12
13
14
15
FIT
1:1
100%

Артикул

Название

Примечание

Количество

1

6734-71-6550

BRACKET

SN: 26249258-UP

1шт.

2

6735-71-3110

SCREW

SN: 26249258-UP

2шт.

3

6731-71-3350

BRACKET

SN: 26249258-UP

1шт.

4

6732-71-3220

BOLT

SN: 26249258-UP

1шт.

5

6732-61-3140

BOLT

SN: 26249258-UP

2шт.

6

6735-71-3180

STUD

SN: 26249258-UP

4шт.

7

6736-81-6170

NUT

SN: 26249258-UP

4шт.

8

6731-71-3111

GEAR

SN: 26249258-UP

1шт.

9

6731-21-3250

SEAL

SN: 26259896-UP

1шт.

|9

6742-01-4030

SEAL

SN: 26249258-26259895

1шт.

10

6735-71-3740

BOLT

SN: 26249258-UP

1шт.

11

07005-01012

GASKET

SN: 26249258-UP

2шт.

12

6735-71-5260

HOSE

SN: 26249258-UP

1шт.

13

6735-71-3760

ELBOW

SN: 26249258-UP

1шт.

|14

6732-81-3190

ADAPTER ASS'Y

SN: 26249258-UP

1шт.

14

6215-81-9710

O-RING

SN: 26249258-UP

1шт.

15

6732-81-3180

ADAPTER

SN: 26249258-UP

1шт.

Выбрано товаров: 17