Запчасти Komatsu S6D102E-1C-6C ТОПЛ. НАСОС И МАСЛОПРОВОДЯЩАЯ ЛИНИЯ (ДЛЯ ОГРАНИЧЕНИЯ ПО ВЫБРОСУ ЕВРОП.)(№7-) ДВИГАТЕЛЬ

Схема запчастей Komatsu S6D102E-1C-6C - ТОПЛ. НАСОС И МАСЛОПРОВОДЯЩАЯ ЛИНИЯ (ДЛЯ ОГРАНИЧЕНИЯ ПО ВЫБРОСУ ЕВРОП.)(№7-) ДВИГАТЕЛЬ
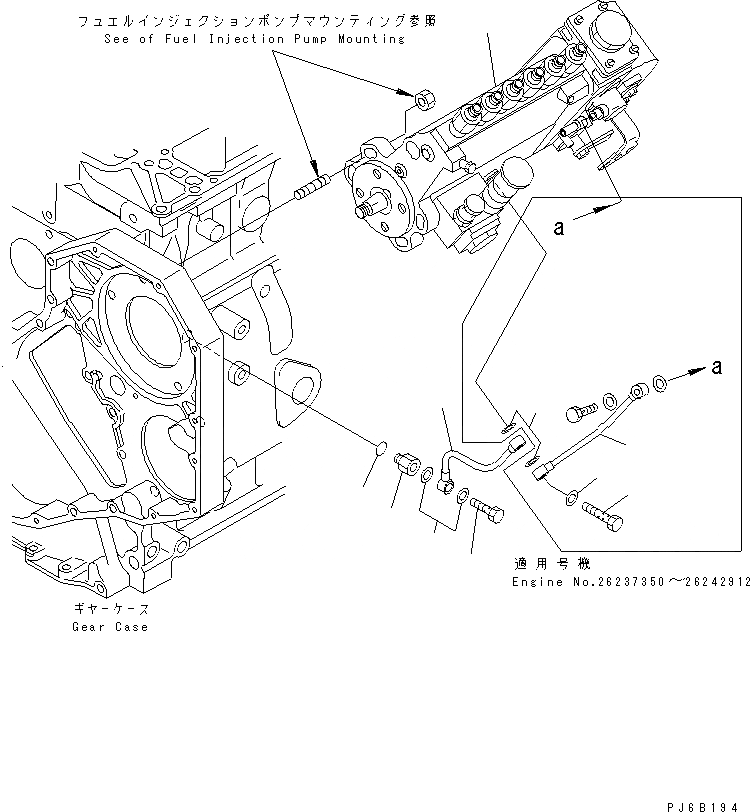
1
2
3
4
4
4
5
6
7
8
1
2
3
4
4
4
5
6
7
8
FIT
1:1
100%

Артикул

Название

Примечание

Количество

1

6735-71-1450

INJECTION PUMP ASS'Y,(SEE FIG.A401P-02B4)

SN: 26237350-UP

1шт.

2

6732-71-5450

NIPPLE

SN: 26237350-UP

1шт.

3

07206-30710

BOLT,JOINT

SN: 26237350-UP

1шт.

4

07005-01012

SEAL, WASHER (K2)

SN: 26242913-UP

2шт.

4

07005-01012

SEAL, WASHER (K2)

SN: 26237350-26242912

5шт.

5

6735-71-5411

TUBE

SN: 26237350-UP

1шт.

6

6735-71-5420

BOLT,JOINT

SN: 26237350-26242912

1шт.

7

6735-71-5430

TUBE,OIL

SN: 26237350-26242912

1шт.

8

6215-81-9710

O-RING

SN: 26237350-UP

1шт.

1

6735-71-1450

INJECTION PUMP ASS'Y,(SEE FIG.A401P-02B4)

2

6732-71-5450

NIPPLE

3

07206-30710

BOLT,JOINT

4

07005-01012

SEAL, WASHER (K2)

4

07005-01012

SEAL, WASHER (K2)

5

6735-71-5411

TUBE

6

6735-71-5420

BOLT,JOINT

7

6735-71-5430

TUBE,OIL

8

6215-81-9710

O-RING

Выбрано товаров: 18