Запчасти Komatsu S6D102E-1C-6Z ТРУБЫ ТОПЛ. ФИЛЬТРА(№99-) ДВИГАТЕЛЬ

Схема запчастей Komatsu S6D102E-1C-6Z - ТРУБЫ ТОПЛ. ФИЛЬТРА(№99-) ДВИГАТЕЛЬ
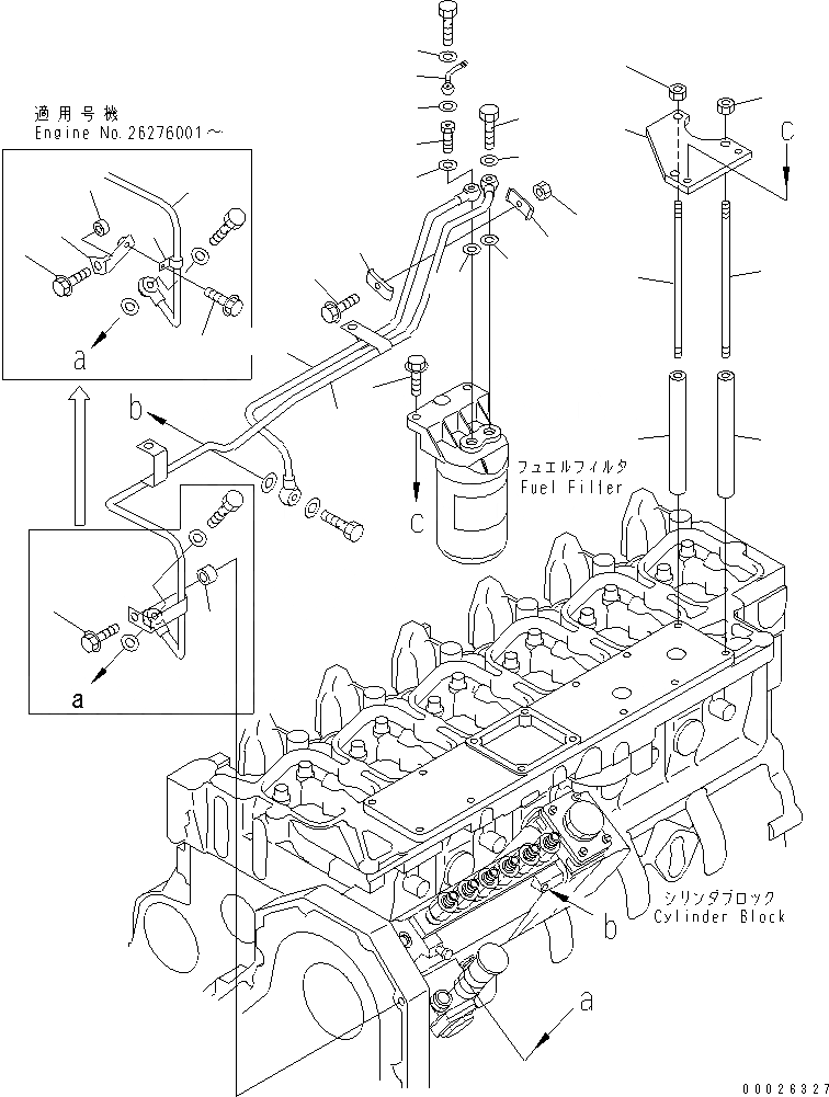
1
2
3
4
5
5
6
6
7
7
8
8
9
9
10
11
11
12
13
14
14
15
16
16
17
17
18
19
20
21
22
FIT
1:1
100%

Артикул

Название

Примечание

Количество

1

6735-71-6710

PLATE

SN: 26200929-UP

1шт.

2

01435-20825

BOLT

SN: 26200929-UP

2шт.

3

6735-71-6720

SPACER

SN: 26200929-UP

2шт.

4

6735-71-6730

SPACER

SN: 26200929-UP

1шт.

5

6735-71-6740

STUD

SN: 26200929-UP

3шт.

6

01584-00806

NUT

SN: 26200929-UP

3шт.

7

6735-71-5482

TUBE

SN: 26276001-UP

1шт.

7

0

TUBE

SN: 26200929-26276000

1шт.

8

01435-20830

BOLT

SN: 26200929-UP

1шт.

9

6354-81-6310

SPACER

SN: 26276001-UP

1шт.

9

0

SPACER

SN: 26200929-26276000

1шт.

10

07206-30812

BOLT,JOINT

SN: 26200929-UP

1шт.

11

07005-01212

SEAL, WASHER

SN: 26200929-UP

2шт.

12

6735-71-5490

TUBE

SN: 26200929-UP

1шт.

13

6736-71-5820

BOLT,JOINT

SN: 26200929-UP

1шт.

14

07005-01212

SEAL, WASHER

SN: 26200929-UP

2шт.

15

6732-71-5780

JOINT

SN: 26200929-UP

1шт.

16

07005-00812

SEAL, WASHER

SN: 26200929-UP

2шт.

17

6212-55-8140

CLAMP

SN: 26200929-UP

2шт.

18

01435-00620

BOLT

SN: 26200929-UP

1шт.

19

01580-00605

NUT

SN: 26200929-UP

1шт.

20

6738-71-5590

BRACKET

SN: 26310982-UP

1шт.

20

6736-71-5530

BRACKET

SN: 26276001-26310981

1шт.

21

6736-71-5540

CLAMP

SN: 26276001-UP

1шт.

22

01435-00814

BOLT

SN: 26276001-UP

1шт.

Выбрано товаров: 25