Запчасти Komatsu S6D102E-1C-CA ТОПЛ. НАСОС И МАСЛОПРОВОДЯЩАЯ ЛИНИЯ (Z-СПЕЦ-Я.) ДВИГАТЕЛЬ

Схема запчастей Komatsu S6D102E-1C-CA - ТОПЛ. НАСОС И МАСЛОПРОВОДЯЩАЯ ЛИНИЯ (Z-СПЕЦ-Я.) ДВИГАТЕЛЬ
1
2
3
4
5
6
FIT
1:1
100%

Артикул

Название

Примечание

Количество

1

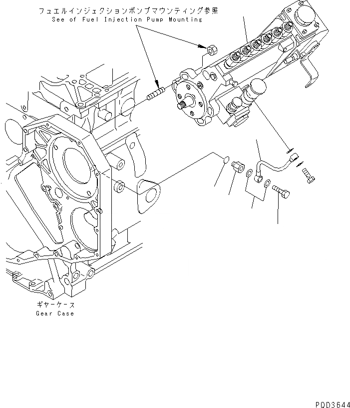
6735-71-1150

INJECTION PUMP ASS'Y,(SEE FIG.A401P-02A3)

SN: 26202240-UP

1шт.

2

6732-71-5450

NIPPLE

SN: 26222208-UP

1шт.

2

0

NIPPLE

SN: 26202240-26222207

1шт.

3

07206-30710

BOLT,JOINT

SN: 26202240-UP

1шт.

4

07005-01012

GASKET

SN: 26202240-UP

2шт.

5

6735-71-5411

TUBE,OIL

SN: 26202240-UP

1шт.

6

6215-81-9710

O-RING

SN: 26222208-UP

1шт.

Выбрано товаров: 7