Запчасти Komatsu S6D102E-1D-SN ПАТРУБКИ САПУНА(№99-7) ДВИГАТЕЛЬ

Схема запчастей Komatsu S6D102E-1D-SN - ПАТРУБКИ САПУНА(№99-7) ДВИГАТЕЛЬ
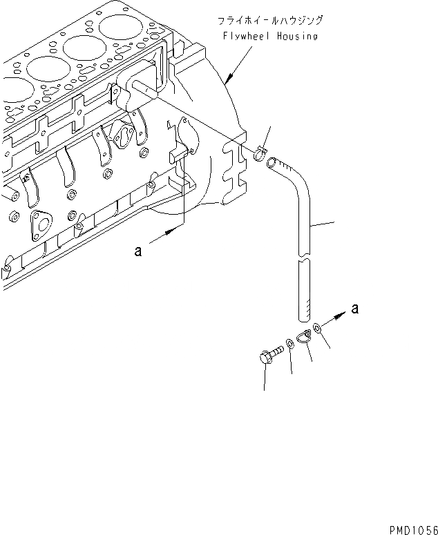
1
2
3
3
4
5
1
2
3
3
4
5
FIT
1:1
100%

Артикул

Название

Примечание

Количество

1

07286-01965

HOSE

SN: 26200929-@

1шт.

2

6221-21-5880

CLIP

SN: 26200929-26206730

1шт.

3

6201-81-6560

SPACER

SN: 26200929-26206730

2шт.

4

01435-20825

BOLT

SN: 26200929-26206730

1шт.

5

07285-00220

CLIP

SN: 26200929-@

1шт.

1

07286-01965

HOSE

SN: 26200929-@

1шт.

2

6221-21-5880

CLIP

SN: 26200929-26206730

1шт.

3

6201-81-6560

SPACER

SN: 26200929-26206730

2шт.

4

01435-20825

BOLT

SN: 26200929-26206730

1шт.

5

07285-00220

CLIP

SN: 26200929-@

1шт.

Выбрано товаров: 10