Запчасти Komatsu S6D102E-1DD-6 МАСЛЯНЫЙ ЩУП(№877-) ДВИГАТЕЛЬ

Схема запчастей Komatsu S6D102E-1DD-6 - МАСЛЯНЫЙ ЩУП(№877-) ДВИГАТЕЛЬ
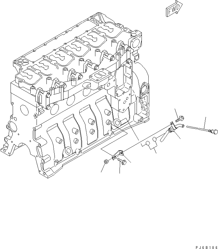
1
2
3
4
5
6
7
FIT
1:1
100%

Артикул

Название

Примечание

Количество

1

6735-21-5610

GAUGE

SN: 26258773-UP

1шт.

2

6735-21-5620

GUIDE

SN: 26258773-UP

1шт.

3

6732-51-8330

O-RING

SN: 26258773-UP

2шт.

4

6735-21-5630

BRACKET

SN: 26258773-UP

1шт.

5

01435-00814

BOLT

SN: 26258773-UP

1шт.

6

01580-00806

NUT

SN: 26258773-UP

1шт.

7

01435-01220

BOLT

SN: 26258773-UP

1шт.

Выбрано товаров: 7