Качественные детали и логистика
Оригинальные и аналоговые запчасти с доставкой по России, Казахстану и Беларуси
©2022 PartSell ООО "Система" ИНН 2463123282 ОГРН 1212400004838
Центральный офис: г. Красноярск, Академика Киренского, д.87, пом.4
Телефон: 8 (800) 777-65-74 Email: zakaz@partsell.ru
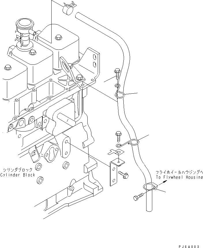
ПАТРУБКИ САПУНА КРЕПЛЕНИЕ(№877-)
№
Артикул
Название
Примечание
Количество
1
6735-21-4240
CLIP
SN: 26258773-UP
1шт.
2
6130-22-5290
2шт.
3
01435-01014
BOLT
Выбрано товаров: 0