Запчасти Komatsu S6D102E-1E-SN ГЕНЕРАТОР (A) (ВНУТР. ЧАСТИ)(№99-97) ДВИГАТЕЛЬ

Схема запчастей Komatsu S6D102E-1E-SN - ГЕНЕРАТОР (A) (ВНУТР. ЧАСТИ)(№99-97) ДВИГАТЕЛЬ
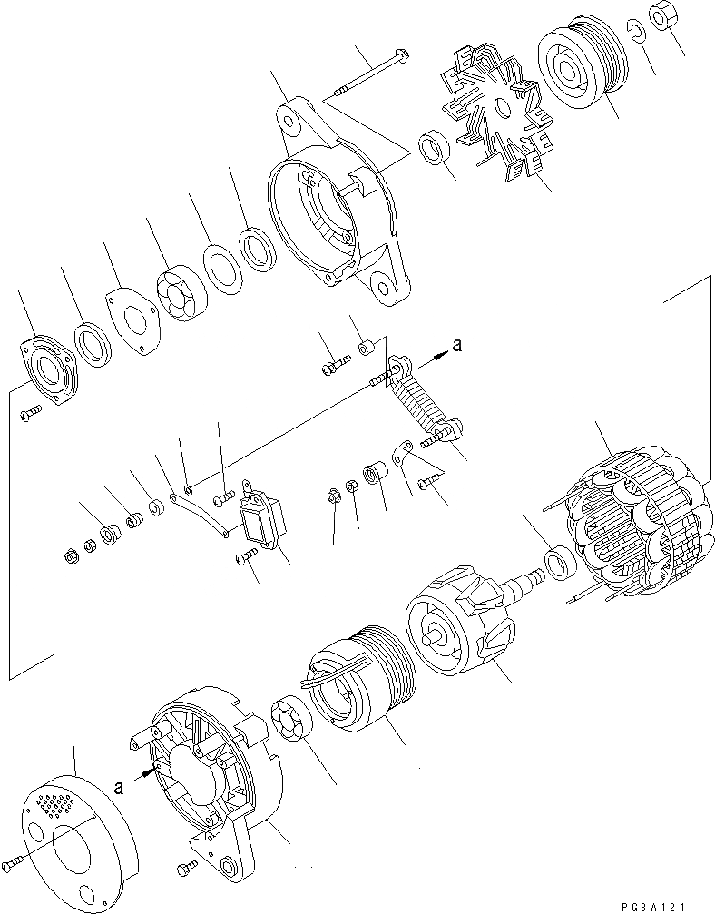
1
2
3
4
5
6
7
7
8
9
10
11
12
13
14
15
16
17
18
19
20
21
22
23
24
25
26
26
27
28
29
30
31
32
33
34
1
2
3
4
5
6
7
7
8
9
10
11
12
13
14
15
16
17
18
19
20
21
22
23
24
25
26
26
27
28
29
30
31
32
33
34
FIT
1:1
100%

Артикул

Название

Примечание

Количество

|1

600-861-5110

ALTERNATOR A. (50A)

SN: 26200929-26239267

1шт.

1

KD0-35100-0300

ROTOR ASS'Y

SN: 26200929-26239267

1шт.

2

KD0-35923-0160

COLLAR

SN: 26200929-26239267

1шт.

3

KD1-33923-0790

COLLAR

SN: 26200929-26239267

1шт.

4

KD0-09201-0980

BEARING,BALL

SN: 26200929-26239267

1шт.

5

KD0-35300-0190

BRACKET ASS'Y,FRONT

SN: 26200929-26239267

1шт.

6

KD0-35926-0070

RETAINER

SN: 26200929-26239267

1шт.

7

KD0-35926-0060

RETAINER

SN: 26200929-26239267

2шт.

8

KD0-35926-0090

RETAINER

SN: 26200929-26239267

1шт.

9

KD0-09201-0880

BEARING,BALL

SN: 26200929-26239267

1шт.

10

KD1-33926-0730

RETAINER

SN: 26200929-26239267

1шт.

11

KD0-35120-0210

FIELD COIL ASS'Y

SN: 26200929-26239267

1шт.

12

KD0-35200-0430

STATOR ASS'Y

SN: 26200929-26239267

1шт.

13

KD0-0275-06802

BOLT

SN: 26200929-26239267

3шт.

|14

KD0-35700-0750

BRACKET ASS'Y,REAR

SN: 26200929-26239267

1шт.

14

KD0-35710-0870

BRACKET,REAR

SN: 26200929-26239267

1шт.

15

KD0-35730-0510

RECTIFIER ASS'Y

SN: 26200929-26239267

1шт.

16

KD0-35719-0200

REGULATOR ASS'Y

SN: 26200929-26239267

1шт.

17

KD1-0331-06013

WASHER

SN: 26200929-26239267

1шт.

18

KD0-09120-0770

PLATE,TERMINAL

SN: 26200929-26239267

1шт.

19

KD0-35784-0240

BAR,CONNECT

SN: 26200929-26239267

1шт.

20

KD0-35923-0130

COLLAR

SN: 26200929-26239267

3шт.

21

KD0-35943-0140

BUSH,INSULATE

SN: 26200929-26239267

1шт.

22

KD0-35943-0150

BUSH,INSULATE

SN: 26200929-26239267

1шт.

23

KD0-35943-0160

BUSH,INSULATE

SN: 26200929-26239267

1шт.

24

KD0-35943-0170

BUSH,INSULATE

SN: 26200929-26239267

2шт.

25

KD0-09011-3270

SCREW

SN: 26200929-26239267

1шт.

26

KD0-0055-05202

SCREW

SN: 26200929-26239267

2шт.

27

KD0-0056-05302

SCREW

SN: 26200929-26239267

2шт.

28

KD0-33902-0090

NUT

SN: 26200929-26239267

2шт.

29

KD0-33902-0080

NUT

SN: 26200929-26239267

2шт.

30

KD0-35411-0640

PULLEY

SN: 26200929-26239267

1шт.

31

KD0-35421-0170

FAN

SN: 26200929-26239267

1шт.

32

KD1-0335-16002

WASHER,SPRING

SN: 26200929-26239267

1шт.

33

KD0-0280-16022

NUT

SN: 26200929-26239267

1шт.

34

KD0-35761-0220

COVER

SN: 26200929-26239267

1шт.

|1

600-861-5110

ALTERNATOR A. (50A)

SN: 26200929-26239267

1шт.

1

KD0-35100-0300

ROTOR ASS'Y

SN: 26200929-26239267

1шт.

2

KD0-35923-0160

COLLAR

SN: 26200929-26239267

1шт.

3

KD1-33923-0790

COLLAR

SN: 26200929-26239267

1шт.

4

KD0-09201-0980

BEARING,BALL

SN: 26200929-26239267

1шт.

5

KD0-35300-0190

BRACKET ASS'Y,FRONT

SN: 26200929-26239267

1шт.

6

KD0-35926-0070

RETAINER

SN: 26200929-26239267

1шт.

7

KD0-35926-0060

RETAINER

SN: 26200929-26239267

2шт.

8

KD0-35926-0090

RETAINER

SN: 26200929-26239267

1шт.

9

KD0-09201-0880

BEARING,BALL

SN: 26200929-26239267

1шт.

10

KD1-33926-0730

RETAINER

SN: 26200929-26239267

1шт.

11

KD0-35120-0210

FIELD COIL ASS'Y

SN: 26200929-26239267

1шт.

12

KD0-35200-0430

STATOR ASS'Y

SN: 26200929-26239267

1шт.

13

KD0-0275-06802

BOLT

SN: 26200929-26239267

3шт.

|14

KD0-35700-0750

BRACKET ASS'Y,REAR

SN: 26200929-26239267

1шт.

14

KD0-35710-0870

BRACKET,REAR

SN: 26200929-26239267

1шт.

15

KD0-35730-0510

RECTIFIER ASS'Y

SN: 26200929-26239267

1шт.

16

KD0-35719-0200

REGULATOR ASS'Y

SN: 26200929-26239267

1шт.

17

KD1-0331-06013

WASHER

SN: 26200929-26239267

1шт.

18

KD0-09120-0770

PLATE,TERMINAL

SN: 26200929-26239267

1шт.

19

KD0-35784-0240

BAR,CONNECT

SN: 26200929-26239267

1шт.

20

KD0-35923-0130

COLLAR

SN: 26200929-26239267

3шт.

21

KD0-35943-0140

BUSH,INSULATE

SN: 26200929-26239267

1шт.

22

KD0-35943-0150

BUSH,INSULATE

SN: 26200929-26239267

1шт.

23

KD0-35943-0160

BUSH,INSULATE

SN: 26200929-26239267

1шт.

24

KD0-35943-0170

BUSH,INSULATE

SN: 26200929-26239267

2шт.

25

KD0-09011-3270

SCREW

SN: 26200929-26239267

1шт.

26

KD0-0055-05202

SCREW

SN: 26200929-26239267

2шт.

27

KD0-0056-05302

SCREW

SN: 26200929-26239267

2шт.

28

KD0-33902-0090

NUT

SN: 26200929-26239267

2шт.

29

KD0-33902-0080

NUT

SN: 26200929-26239267

2шт.

30

KD0-35411-0640

PULLEY

SN: 26200929-26239267

1шт.

31

KD0-35421-0170

FAN

SN: 26200929-26239267

1шт.

32

KD1-0335-16002

WASHER,SPRING

SN: 26200929-26239267

1шт.

33

KD0-0280-16022

NUT

SN: 26200929-26239267

1шт.

34

KD0-35761-0220

COVER

SN: 26200929-26239267

1шт.

Выбрано товаров: 0