Запчасти Komatsu S6D102E-1F-6S ТОПЛ. НАСОС И МАСЛОПРОВОДЯЩАЯ ЛИНИЯ (ДЛЯ ОГРАНИЧЕНИЯ ПО ВЫБРОСУ ЕВРОП.)(№989-) ДВИГАТЕЛЬ

Схема запчастей Komatsu S6D102E-1F-6S - ТОПЛ. НАСОС И МАСЛОПРОВОДЯЩАЯ ЛИНИЯ (ДЛЯ ОГРАНИЧЕНИЯ ПО ВЫБРОСУ ЕВРОП.)(№989-) ДВИГАТЕЛЬ
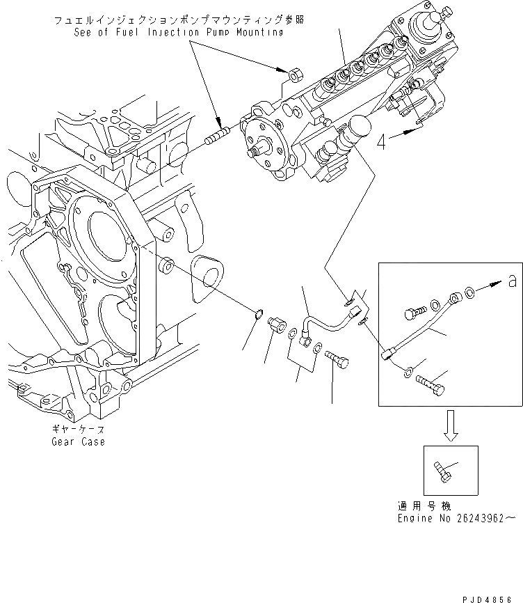
1
1
2
3
4
4
4
5
6
7
8
FIT
1:1
100%

Артикул

Название

Примечание

Количество

1

6735-71-1441

INJECTION PUMP ASS'Y,(SEE FIG.A401P-02B1)

SN: 26243962-UP

1шт.

1

0

INJECTION PUMP ASS'Y,(SEE FIG.A401P-02B1)

SN: 26236989-26243961

1шт.

2

6732-71-5450

NIPPLE

SN: 26236989-UP

1шт.

3

07206-30710

BOLT,JOINT

SN: 26236989-UP

1шт.

4

07005-01012

GASKET (K2)

SN: 26243962-UP

2шт.

4

07005-01012

GASKET (K2)

SN: 26236989-26243961

5шт.

5

6735-71-5411

TUBE,OIL

SN: 26236989-UP

1шт.

6

6735-71-5420

BOLT

SN: 26236989-26243961

1шт.

7

6735-71-5430

TUBE,OIL

SN: 26236989-26243961

1шт.

8

6215-81-9710

O-RING

SN: 26236989-UP

1шт.

Выбрано товаров: 10