Запчасти Komatsu S6D102E-1FL-S2 ТОПЛИВН. ФИЛЬТР. КРЕПЛЕНИЕ И ПАТРУБКИ(№-) ДВИГАТЕЛЬ

Схема запчастей Komatsu S6D102E-1FL-S2 - ТОПЛИВН. ФИЛЬТР. КРЕПЛЕНИЕ И ПАТРУБКИ(№-) ДВИГАТЕЛЬ
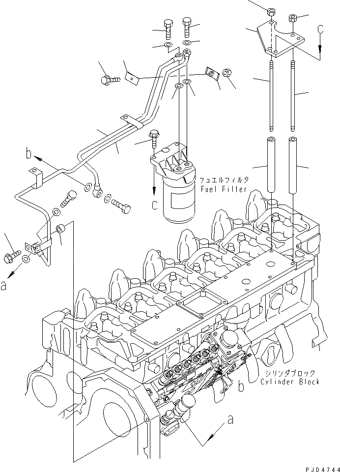
1
2
3
4
5
5
6
6
7
8
9
10
11
11
12
13
14
14
15
15
16
17
FIT
1:1
100%

Артикул

Название

Примечание

Количество

1

6735-71-6710

PLATE

SN: 26230250-UP

1шт.

2

01435-20825

BOLT

SN: 26230250-UP

2шт.

3

6735-71-6720

SPACER

SN: 26230250-UP

2шт.

4

6735-71-6730

SPACER

SN: 26230250-UP

1шт.

5

6735-71-6740

STUD

SN: 26230250-UP

3шт.

6

01584-00806

NUT

SN: 26230250-UP

3шт.

7

6735-71-5481

TUBE

SN: 26230250-UP

1шт.

8

01435-20830

BOLT

SN: 26230250-UP

1шт.

9

6131-12-5920

SPACER

SN: 26230250-UP

1шт.

10

07206-30812

BOLT,JOINT

SN: 26230250-UP

1шт.

11

07005-01212

GASKET

SN: 26230250-UP

2шт.

12

6735-71-5490

TUBE

SN: 26230250-UP

1шт.

13

07206-30812

BOLT,JOINT

SN: 26230250-UP

1шт.

14

07005-01212

GASKET

SN: 26230250-UP

2шт.

15

6212-55-8140

CLAMP

SN: 26230250-UP

2шт.

16

01435-00620

BOLT

SN: 26230250-UP

1шт.

17

01580-00605

NUT

SN: 26230250-UP

1шт.

Выбрано товаров: 17