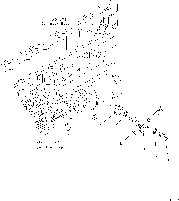
Запчасти Komatsu S6D102E-1K ТРУБКА (ФОРСИР.)(№78-) ДВИГАТЕЛЬ

Схема запчастей Komatsu S6D102E-1K - ТРУБКА (ФОРСИР.)(№78-) ДВИГАТЕЛЬ
1
2
3
4
4
1
2
3
4
4
FIT
1:1
100%

Артикул

Название

Примечание

Количество

1

6735-71-5460

NIPPLE

SN: 26237081-UP

1шт.

2

6735-71-5470

TUBE

SN: 26237081-UP

1шт.

3

6732-71-6510

BOLT,JOINT

SN: 26237081-UP

1шт.

4

07005-01212

GASKET

SN: 26237081-UP

2шт.

1

6735-71-5460

NIPPLE

SN: 26237081-UP

1шт.

2

6735-71-5470

TUBE

SN: 26237081-UP

1шт.

3

6732-71-6510

BOLT,JOINT

SN: 26237081-UP

1шт.

4

07005-01212

GASKET

SN: 26237081-UP

2шт.

Выбрано товаров: 0