Запчасти Komatsu S6D102E-1W-A МАСЛ. ПЕРЕКЛЮЧАТЕЛЬ ДАВЛЕНИЯAND ДАТЧИК ТЕМПЕРАТУРЫ ВОДЫ(№99-9) ДВИГАТЕЛЬ

Схема запчастей Komatsu S6D102E-1W-A - МАСЛ. ПЕРЕКЛЮЧАТЕЛЬ ДАВЛЕНИЯAND ДАТЧИК ТЕМПЕРАТУРЫ ВОДЫ(№99-9) ДВИГАТЕЛЬ
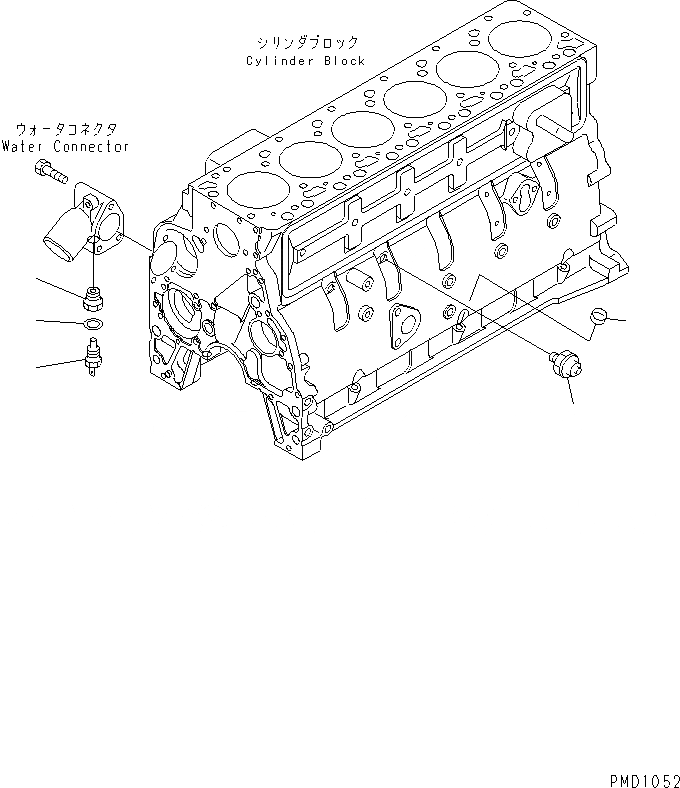
1
2
3
4
5
FIT
1:1
100%

Артикул

Название

Примечание

Количество

1

6732-21-5530

PLUG

SN: 26200929-@

2шт.

2

6732-81-3140

SWITCH,OIL PRESSURE

SN: 26200929-26222494

1шт.

3

6732-61-8110

NIPPLE

SN: 26200939-@

1шт.

4

600-815-7361

SENSOR,WATER TEMPERATURE

SN: 26200939-@

1шт.

5

07005-01612

GASKET

SN: 26200939-@

1шт.

Выбрано товаров: 5