Запчасти Komatsu S6D102E-1W-D ТОПЛ. НАСОС И МАСЛОПРОВОДЯЩАЯ ЛИНИЯ ДВИГАТЕЛЬ

Схема запчастей Komatsu S6D102E-1W-D - ТОПЛ. НАСОС И МАСЛОПРОВОДЯЩАЯ ЛИНИЯ ДВИГАТЕЛЬ
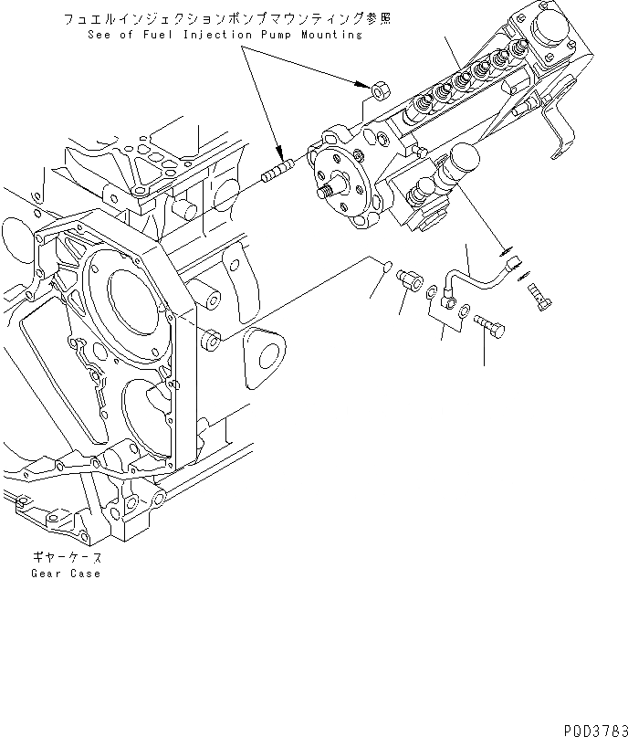
1
2
3
4
5
6
FIT
1:1
100%

Артикул

Название

Примечание

Количество

1

6735-71-1161

INJECTION PUMP ASS'Y,(SEE FIG.A401P-02A0)

SN: 26204449-UP

1шт.

|1

6735-71-1160

INJECTION PUMP ASS'Y,(SEE FIG.A401P-02A0)

SN: 26200929-26204448

1шт.

2

6732-71-5450

NIPPLE

SN: 26223714-UP

1шт.

|2

0

NIPPLE

SN: 26200929-26223713

1шт.

3

07206-30710

BOLT,JOINT

SN: 26200929-UP

1шт.

4

07005-01012

GASKET

SN: 26200929-UP

2шт.

5

6735-71-5411

TUBE,OIL

SN: 26200929-UP

1шт.

6

6215-81-9710

O-RING

SN: 26223714-UP

1шт.

Выбрано товаров: 8