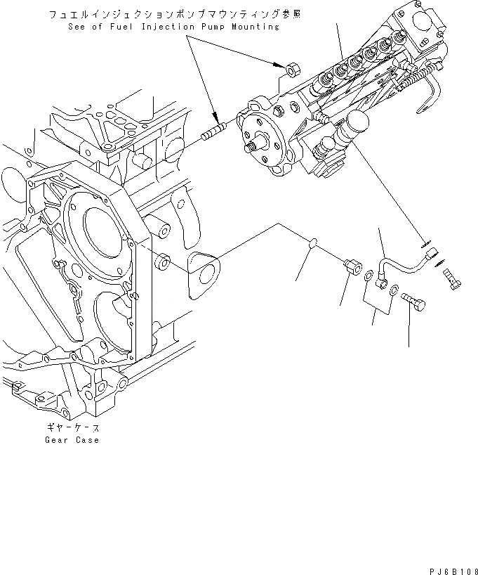
Запчасти Komatsu S6D102E-1W-PT ТОПЛ. НАСОС И МАСЛОПРОВОДЯЩАЯ ЛИНИЯ(№7-) ДВИГАТЕЛЬ

Схема запчастей Komatsu S6D102E-1W-PT - ТОПЛ. НАСОС И МАСЛОПРОВОДЯЩАЯ ЛИНИЯ(№7-) ДВИГАТЕЛЬ
1
2
3
4
5
6
FIT
1:1
100%

Артикул

Название

Примечание

Количество

1

6735-71-1470

INJECTION PUMP ASS'Y

SN: 26245702-UP

1шт.

2

6732-71-5450

NIPPLE

SN: 26245702-UP

1шт.

3

6215-81-9710

O-RING

SN: 26245702-UP

1шт.

4

07206-30710

BOLT,JOINT

SN: 26245702-UP

1шт.

5

07005-01012

GASKET

SN: 26245702-UP

2шт.

6

6735-71-5411

TUBE,OIL

SN: 26245702-UP

1шт.

Выбрано товаров: 6