Качественные детали и логистика
Оригинальные и аналоговые запчасти с доставкой по России, Казахстану и Беларуси
©2022 PartSell ООО "Система" ИНН 2463123282 ОГРН 1212400004838
Центральный офис: г. Красноярск, Академика Киренского, д.87, пом.4
Телефон: 8 (800) 777-65-74 Email: zakaz@partsell.ru
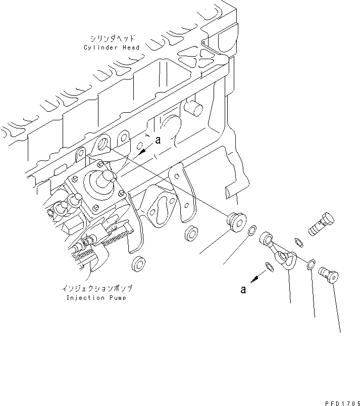
ТРУБКА (ФОРСИР.)(№78-)
№
Артикул
Название
Примечание
Количество
1
6735-71-5460
NIPPLE
SN: 26237081-UP
1шт.
2
6735-71-5470
TUBE
3
6732-71-6510
BOLT,JOINT
4
07005-01212
GASKET
2шт.
Выбрано товаров: 0