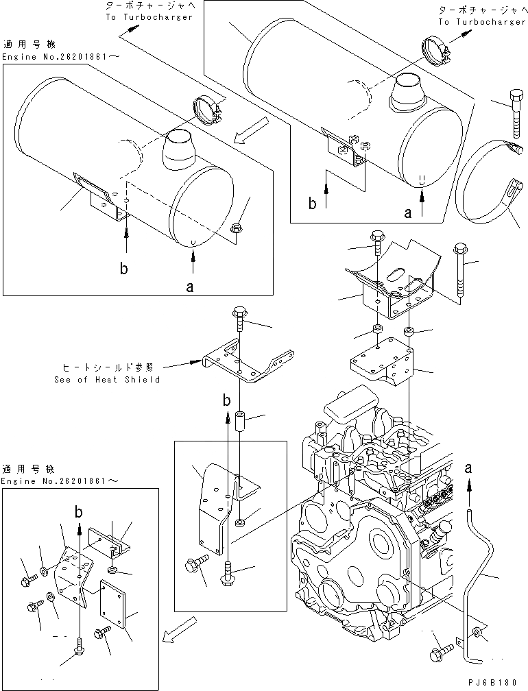
Запчасти Komatsu S6D102E-1X-6L ГЛУШИТЕЛЬ И КРЕПЛЕНИЕ(№99-) ДВИГАТЕЛЬ

Схема запчастей Komatsu S6D102E-1X-6L - ГЛУШИТЕЛЬ И КРЕПЛЕНИЕ(№99-) ДВИГАТЕЛЬ
1
1
2
3
4
5
6
6
7
8
9
10
10
11
12
13
13
14
14
15
16
17
18
19
20
21
22
22
23
23
1
1
2
3
4
5
6
6
7
8
9
10
10
11
12
13
13
14
14
15
16
17
18
19
20
21
22
22
23
23
FIT
1:1
100%

Артикул

Название

Примечание

Количество

1

6735-11-5511

MUFFLER

SN: 26280234-UP

1шт.

1

0

MUFFLER

SN: 26200929-26280233

1шт.

2

6138-11-5790

BAND ASS'Y

SN: 26200929-UP

1шт.

2

6110-11-4520

PIN

SN: 26200929-UP

1шт.

2

6110-11-4530

PIN, WITH THREAD

SN: 26200929-UP

1шт.

3

6643-11-4641

BOLT

SN: 26200929-UP

1шт.

4

6732-11-5330

BRACKET

SN: 26200929-UP

1шт.

5

6735-11-5310

BRACKET

SN: 26200929-UP

1шт.

6

205-965-1310

SPACER

SN: 26200929-UP

4шт.

7

01435-01035

BOLT

SN: 26200929-UP

1шт.

8

01436-01015

BOLT

SN: 26200929-UP

3шт.

9

6735-11-5320

BRACKET

SN: 26200929-26201860

1шт.

10

6110-23-6490

SPACER

SN: 26200929-UP

2шт.

11

6152-51-5520

SPACER

SN: 26200929-UP

2шт.

12

01435-01090

BOLT

SN: 26200929-UP

2шт.

13

01435-00820

BOLT

SN: 26200929-UP

2шт.

14

01435-01025

BOLT

SN: 26200929-UP

4шт.

15

6735-11-5420

TUBE

SN: 26200929-UP

1шт.

16

01435-00825

BOLT

SN: 26200929-UP

1шт.

17

21T-72-14930

BOSS

SN: 26200929-UP

1шт.

18

6735-11-5330

BRACKET

SN: 26201861-UP

1шт.

19

6735-11-5340

BRACKET

SN: 26201861-UP

1шт.

20

6735-11-5350

BRACKET

SN: 26201861-UP

1шт.

21

01584-01008

NUT

SN: 26201861-UP

4шт.

22

01435-01025

BOLT

SN: 26201861-UP

4шт.

23

6110-23-6490

SPACER

SN: 26201861-UP

4шт.

1

6735-11-5511

MUFFLER

SN: 26280234-UP

1шт.

1

0

MUFFLER

SN: 26200929-26280233

1шт.

2

6138-11-5790

BAND ASS'Y

SN: 26200929-UP

1шт.

2

6110-11-4520

PIN

SN: 26200929-UP

1шт.

2

6110-11-4530

PIN, WITH THREAD

SN: 26200929-UP

1шт.

3

6643-11-4641

BOLT

SN: 26200929-UP

1шт.

4

6732-11-5330

BRACKET

SN: 26200929-UP

1шт.

5

6735-11-5310

BRACKET

SN: 26200929-UP

1шт.

6

205-965-1310

SPACER

SN: 26200929-UP

4шт.

7

01435-01035

BOLT

SN: 26200929-UP

1шт.

8

01436-01015

BOLT

SN: 26200929-UP

3шт.

9

6735-11-5320

BRACKET

SN: 26200929-26201860

1шт.

10

6110-23-6490

SPACER

SN: 26200929-UP

2шт.

11

6152-51-5520

SPACER

SN: 26200929-UP

2шт.

12

01435-01090

BOLT

SN: 26200929-UP

2шт.

13

01435-00820

BOLT

SN: 26200929-UP

2шт.

14

01435-01025

BOLT

SN: 26200929-UP

4шт.

15

6735-11-5420

TUBE

SN: 26200929-UP

1шт.

16

01435-00825

BOLT

SN: 26200929-UP

1шт.

17

21T-72-14930

BOSS

SN: 26200929-UP

1шт.

18

6735-11-5330

BRACKET

SN: 26201861-UP

1шт.

19

6735-11-5340

BRACKET

SN: 26201861-UP

1шт.

20

6735-11-5350

BRACKET

SN: 26201861-UP

1шт.

21

01584-01008

NUT

SN: 26201861-UP

4шт.

22

01435-01025

BOLT

SN: 26201861-UP

4шт.

23

6110-23-6490

SPACER

SN: 26201861-UP

4шт.

Выбрано товаров: 52