Запчасти Komatsu S6D102E1 ПЕРЕДН. COVER ДВИГАТЕЛЬ

Схема запчастей Komatsu S6D102E1 - ПЕРЕДН. COVER ДВИГАТЕЛЬ
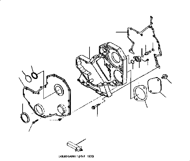
19
18
18
13
14
11
3
15
16
17
1
2
5
6
10
7
8
9
4
FIT
1:1
100%

Артикул

Название

Примечание

Количество

1

6732-21-3812

GASKET

SN: 30769890-UP

1шт.

2

6735-22-3110

HOUSING, GEAR

SN: 30769890-UP

1шт.

3

6742-01-0530

BOLT

SN: 30769890-UP

11шт.

4

6736-21-3220

BOLT

SN: 30769890-UP

11шт.

5

6732-21-3880

GASKET

SN: 30769890-UP

1шт.

|$6

6735-21-3180

HOUSING ASS'Y

SN: 30769890-UP

1шт.

6

6732-21-3180

HOUSING

SN: 30769890-UP

1шт.

7

6732-21-3870

O-RING

SN: 30769890-UP

1шт.

8

6732-21-3140

PIN

SN: 30769890-UP

1шт.

9

6732-21-3150

RING

SN: 30769890-UP

1шт.

10

6732-21-3160

BOLT

SN: 30769890-UP

2шт.

11

0

LIQUID GASKET (LG-7 150G)

SN: 30769890-UP

1шт.

|$13

6735-21-3140

COVER ASS'Y, GEAR

SN: 30769890-UP

1шт.

12

6736-21-3310

COVER

SN: 30769890-UP

1шт.

13

6732-21-3511

SEAL

SN: 30769890-UP

1шт.

14

6742-01-0540

BOLT

SN: 30769890-UP

5шт.

15

6736-21-3380

GASKET

SN: 30769890-UP

1шт.

16

6732-21-9310

PLATE

SN: 30769890-UP

1шт.

17

6732-51-5130

BOLT

SN: 30769890-UP

2шт.

18

6732-21-3190

COVER

SN: 30769890-UP

1шт.

19

6732-21-3220

SEAL

SN: 30769890-UP

1шт.

Выбрано товаров: 21