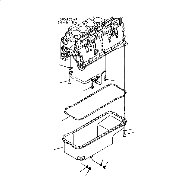
Запчасти Komatsu S6D102E1 МАСЛЯНЫЙ ПОДДОН ДВИГАТЕЛЬ

Схема запчастей Komatsu S6D102E1 - МАСЛЯНЫЙ ПОДДОН ДВИГАТЕЛЬ
9
5
4
4
4
8
7
6
1
10
11
2
3
FIT
1:1
100%

Артикул

Название

Примечание

Количество

1

6734-21-5111

PAN, OIL

SN: 30769890-UP

1шт.

2

6732-21-5210

PLUG

SN: 30769890-UP

1шт.

3

6732-21-5190

GASKET

SN: 30769890-UP

1шт.

4

6736-21-5310

BOLT

SN: 30769890-UP

5шт.

5

6734-21-5570

TUBE, SUCTION

SN: 30769890-UP

1шт.

6

6732-21-5160

BOLT

SN: 30769890-UP

36шт.

7

6732-21-5180

BOLT

SN: 30769890-UP

36шт.

8

6732-21-5661

GASKET

SN: 30769890-UP

1шт.

9

6733-21-5521

GASKET

SN: 30769890-UP

1шт.

10

6736-23-5630

WASHER

SN: 30769890-UP

1шт.

11

6735-21-5670

PLUG

SN: 30769890-UP

1шт.

Выбрано товаров: 11