Запчасти Komatsu S6D105-1AH ТОПЛ. НАСОС И ТРУБЫ (С КОМПРЕССОР) ТОПЛИВН. СИСТЕМА

Схема запчастей Komatsu S6D105-1AH - ТОПЛ. НАСОС И ТРУБЫ (С КОМПРЕССОР) ТОПЛИВН. СИСТЕМА
FIT
1:1
100%

Артикул

Название

Примечание

Количество

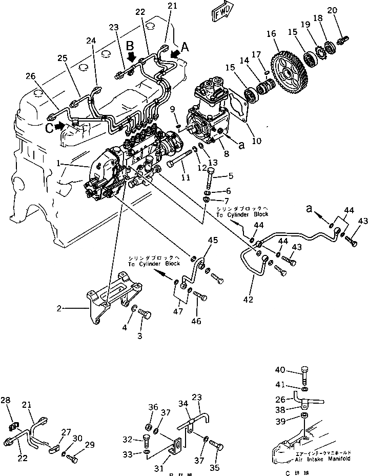
1

6137-72-1112

INJECTION PUMP ASS'Y,(SEE FIG. 0451)

SN: 94066-UP

1шт.

2

6136-21-6110

BRACKET

SN: 94066-UP

1шт.

3

01435-01030

BOLT

SN: 106825-UP

4шт.

|3

0

BOLT

SN: 94066-106824

4шт.

4

01602-01030

WASHER,SPRING

SN: 94066-106824

4шт.

5

01435-00870

BOLT

SN: 106825-UP

4шт.

|5

0

BOLT

SN: 94066-106824

4шт.

6

01602-00825

WASHER,SPRING

SN: 94066-106824

4шт.

7

6110-71-5810

WASHER

SN: 94066-UP

4шт.

8

6136-81-3112

AIR COMPRESSOR ASS'Y,(SEE FIG.0711)

SN: 94066-UP

1шт.

9

04010-00416

KEY

SN: 94066-UP

1шт.

10

6131-81-3141

GASKET (K2)

SN: 94066-UP

1шт.

11

6136-81-3920

BOLT

SN: 94066-UP

4шт.

12

01602-01030

WASHER,SPRING

SN: 94066-UP

4шт.

13

01640-21016

WASHER

SN: 94066-UP

4шт.

14

6136-71-3110

SHAFT

SN: 94066-UP

1шт.

15

06000-06007

BEARING,BALL

SN: 94066-UP

2шт.

16

6136-71-3120

GEAR,INJECTION

SN: 94066-UP

1шт.

17

04000-00722

KEY

SN: 94066-UP

1шт.

18

6136-71-3130

NUT,LOCK

SN: 94066-UP

1шт.

19

6136-71-3141

WASHER,LOCK (K2)

SN: 94066-UP

1шт.

20

6136-81-3951

SHAFT

SN: 94066-UP

1шт.

21

6136-71-5110

PIPE,INJECTION¤ NO.1

SN: 94066-UP

1шт.

22

6136-71-5120

PIPE,INJECTION¤ NO.2

SN: 94066-UP

1шт.

23

6136-71-5130

PIPE,INJECTION¤ NO.3

SN: 94066-UP

1шт.

24

6136-71-5140

PIPE,INJECTION¤ NO.4

SN: 94066-UP

1шт.

25

6136-71-5150

PIPE,INJECTION¤ NO.5

SN: 94066-UP

1шт.

26

6136-71-5160

PIPE,INJECTION¤ NO.6

SN: 94066-UP

1шт.

|27

6144-71-5720

CLIP ASS'Y

SN: 94066-UP

9шт.

27

6144-71-5730

CLIP

SN: 94066-UP

1шт.

28

6144-71-5740

CLIP¤ WITH THREAD

SN: 94066-UP

1шт.

29

6130-71-5750

BOLT

SN: 94066-UP

1шт.

30

01601-20513

WASHER

SN: 94066-UP

1шт.

31

6136-71-5730

BRACKET

SN: 94066-UP

1шт.

32

01435-21016

BOLT

SN: 106825-UP

1шт.

|32

0

BOLT

SN: 94066-106824

1шт.

33

01642-01016

WASHER

SN: 94066-106824

1шт.

34

6136-71-5720

CLIP

SN: 94066-UP

1шт.

35

01435-21020

BOLT

SN: 106825-UP

1шт.

|35

0

BOLT

SN: 94066-106824

1шт.

36

01584-01008

NUT

SN: 106825-UP

1шт.

|36

0

NUT

SN: 94066-106824

1шт.

37

01642-01016

WASHER

SN: 94066-106824

2шт.

38

6136-71-5720

CLIP

SN: 94066-UP

1шт.

39

6631-11-6390

SPACER

SN: 94066-UP

1шт.

40

01435-21030

BOLT

SN: 106825-UP

1шт.

|40

0

BOLT

SN: 94066-106824

1шт.

41

01642-01016

WASHER

SN: 94066-106824

1шт.

42

6136-51-6710

PIPE,OIL

SN: 94066-UP

1шт.

43

07206-10610

BOLT,JOINT

SN: 94066-UP

2шт.

44

07005-01012

GASKET (K2)

SN: 94066-UP

4шт.

45

6136-51-6780

PIPE,OIL

SN: 94066-UP

1шт.

|45

0

PIPE,OIL

SN: (94066-105966)

1шт.

46

07206-10812

BOLT,JOINT

SN: 94066-UP

1шт.

47

07005-01212

GASKET (K2)

SN: 94066-UP

2шт.

1

6137-72-1112

INJECTION PUMP ASS'Y,(SEE FIG. 0451)

SN: 94066-UP

1шт.

2

6136-21-6110

BRACKET

SN: 94066-UP

1шт.

3

01435-01030

BOLT

SN: 106825-UP

4шт.

|3

0

BOLT

SN: 94066-106824

4шт.

4

01602-01030

WASHER,SPRING

SN: 94066-106824

4шт.

5

01435-00870

BOLT

SN: 106825-UP

4шт.

|5

0

BOLT

SN: 94066-106824

4шт.

6

01602-00825

WASHER,SPRING

SN: 94066-106824

4шт.

7

6110-71-5810

WASHER

SN: 94066-UP

4шт.

8

6136-81-3112

AIR COMPRESSOR ASS'Y,(SEE FIG.0711)

SN: 94066-UP

1шт.

9

04010-00416

KEY

SN: 94066-UP

1шт.

10

6131-81-3141

GASKET (K2)

SN: 94066-UP

1шт.

11

6136-81-3920

BOLT

SN: 94066-UP

4шт.

12

01602-01030

WASHER,SPRING

SN: 94066-UP

4шт.

13

01640-21016

WASHER

SN: 94066-UP

4шт.

14

6136-71-3110

SHAFT

SN: 94066-UP

1шт.

15

06000-06007

BEARING,BALL

SN: 94066-UP

2шт.

16

6136-71-3120

GEAR,INJECTION

SN: 94066-UP

1шт.

17

04000-00722

KEY

SN: 94066-UP

1шт.

18

6136-71-3130

NUT,LOCK

SN: 94066-UP

1шт.

19

6136-71-3141

WASHER,LOCK (K2)

SN: 94066-UP

1шт.

20

6136-81-3951

SHAFT

SN: 94066-UP

1шт.

21

6136-71-5110

PIPE,INJECTION¤ NO.1

SN: 94066-UP

1шт.

22

6136-71-5120

PIPE,INJECTION¤ NO.2

SN: 94066-UP

1шт.

23

6136-71-5130

PIPE,INJECTION¤ NO.3

SN: 94066-UP

1шт.

24

6136-71-5140

PIPE,INJECTION¤ NO.4

SN: 94066-UP

1шт.

25

6136-71-5150

PIPE,INJECTION¤ NO.5

SN: 94066-UP

1шт.

26

6136-71-5160

PIPE,INJECTION¤ NO.6

SN: 94066-UP

1шт.

|27

6144-71-5720

CLIP ASS'Y

SN: 94066-UP

9шт.

27

6144-71-5730

CLIP

SN: 94066-UP

1шт.

28

6144-71-5740

CLIP¤ WITH THREAD

SN: 94066-UP

1шт.

29

6130-71-5750

BOLT

SN: 94066-UP

1шт.

30

01601-20513

WASHER

SN: 94066-UP

1шт.

31

6136-71-5730

BRACKET

SN: 94066-UP

1шт.

32

01435-21016

BOLT

SN: 106825-UP

1шт.

|32

0

BOLT

SN: 94066-106824

1шт.

33

01642-01016

WASHER

SN: 94066-106824

1шт.

34

6136-71-5720

CLIP

SN: 94066-UP

1шт.

35

01435-21020

BOLT

SN: 106825-UP

1шт.

|35

0

BOLT

SN: 94066-106824

1шт.

36

01584-01008

NUT

SN: 106825-UP

1шт.

|36

0

NUT

SN: 94066-106824

1шт.

37

01642-01016

WASHER

SN: 94066-106824

2шт.

38

6136-71-5720

CLIP

SN: 94066-UP

1шт.

39

6631-11-6390

SPACER

SN: 94066-UP

1шт.

40

01435-21030

BOLT

SN: 106825-UP

1шт.

|40

0

BOLT

SN: 94066-106824

1шт.

41

01642-01016

WASHER

SN: 94066-106824

1шт.

42

6136-51-6710

PIPE,OIL

SN: 94066-UP

1шт.

43

07206-10610

BOLT,JOINT

SN: 94066-UP

2шт.

44

07005-01012

GASKET (K2)

SN: 94066-UP

4шт.

45

6136-51-6780

PIPE,OIL

SN: 94066-UP

1шт.

|45

0

PIPE,OIL

SN: (94066-105966)

1шт.

46

07206-10812

BOLT,JOINT

SN: 94066-UP

1шт.

47

07005-01212

GASKET (K2)

SN: 94066-UP

2шт.

Выбрано товаров: 110