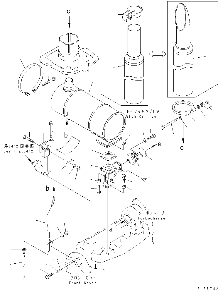
Запчасти Komatsu S6D105-1AH ГЛУШИТЕЛЬ И КРЕПЛЕНИЕ ГОЛОВКА ЦИЛИНДРОВ

Схема запчастей Komatsu S6D105-1AH - ГЛУШИТЕЛЬ И КРЕПЛЕНИЕ ГОЛОВКА ЦИЛИНДРОВ
1
2
3
4
5
6
7
8
9
10
10
11
12
13
14
15
16
17
18
19
20
21
22
23
24
25
26
27
28
28
29
30
31
32
33
33
34
35
1
2
3
4
5
6
7
8
9
10
10
11
12
13
14
15
16
17
18
19
20
21
22
23
24
25
26
27
28
28
29
30
31
32
33
33
34
35
FIT
1:1
100%

Артикул

Название

Примечание

Количество

1

6137-11-5220

MUFFLER

SN: 94066-UP

1шт.

2

6138-11-5230

JOINT

SN: 94066-UP

1шт.

3

6136-12-5280

RING,SEAL

SN: 94066-UP

1шт.

4

6131-11-5360

BOLT

SN: 94066-UP

2шт.

5

01602-00825

WASHER,SPRING

SN: 94066-106824

2шт.

6

6137-11-5782

PIPE,DRAIN

SN: 94066-UP

1шт.

7

01435-00865

BOLT,(SEE FIG.0205)

SN: 106825-UP

1шт.

|7

0

BOLT,(SEE FIG.0205)

SN: 94066-106824

1шт.

8

01584-00806

NUT,(SEE FIG.0205)

SN: 106825-UP

1шт.

|8

0

NUT,(SEE FIG.0205)

SN: 94066-106824

1шт.

9

01602-00825

WASHER,SPRING (SEE FIG.0205)

SN: 94066-106824

1шт.

10

01640-20816

WASHER,(SEE FIG.0205)

SN: 94066-106824

2шт.

11

6138-11-5370

ELBOW,EXHAUST

SN: 94066-UP

1шт.

12

07042-20108

PLUG

SN: 94066-UP

1шт.

13

6138-11-5810

GASKET (K1)

SN: 94066-UP

1шт.

14

01435-01045

BOLT

SN: 106825-UP

4шт.

|14

0

BOLT

SN: 94066-106824

4шт.

15

6631-11-5630

SPACER

SN: 94066-UP

4шт.

16

01435-01260

BOLT

SN: 106825-UP

4шт.

|16

0

BOLT

SN: 94066-106824

4шт.

17

6678-51-9520

SPACER

SN: 94066-UP

4шт.

18

01584-01210

NUT

SN: 106825-UP

4шт.

|18

0

NUT

SN: 94066-106824

4шт.

19

6137-11-5772

BRACKET

SN: 94066-UP

1шт.

20

01435-01090

BOLT

SN: 106825-UP

2шт.

|20

0

BOLT

SN: 94066-106824

2шт.

21

01602-01030

WASHER,SPRING

SN: 94066-106824

2шт.

22

6137-11-5651

BRACKET

SN: 94066-UP

1шт.

23

01435-01030

BOLT

SN: 106825-UP

2шт.

|23

0

BOLT

SN: 94066-106824

2шт.

24

01584-01008

NUT

SN: 106825-UP

2шт.

|24

0

NUT

SN: 94066-106824

2шт.

25

01643-31032

WASHER

SN: 106825-UP

2шт.

|25

0

WASHER

SN: 94066-106824

2шт.

26

6137-11-5690

BAND ASS'Y

SN: 94066-UP

1шт.

|26

6110-11-4520

PIN

SN: 94066-UP

1шт.

|26

6110-11-4530

PIN¤ WITH THREAD

SN: 94066-UP

1шт.

27

6643-11-4641

BOLT

SN: 94066-UP

1шт.

28

6151-11-5590

PIPE,EXHAUST

SN: 94066-UP

1шт.

|28

6150-11-5690

PIPE,EXHAUST (FOR WITH RAIN CAP)

SN: 94066-UP

1шт.

29

6150-11-5770

CAP,RAIN

SN: 94066-UP

1шт.

30

6138-11-5620

CLAMP

SN: 94066-UP

1шт.

31

6693-12-5550

BOLT

SN: 94066-UP

1шт.

32

01582-01411

NUT

SN: 94066-UP

2шт.

33

6151-11-5670

WASHER

SN: 94066-UP

2шт.

34

07260-20980

HOSE

SN: 94066-UP

1шт.

35

07285-00155

CLIP

SN: 105967-UP

1шт.

|35

0

CLAMP

SN: 94066-105966

1шт.

1

6137-11-5220

MUFFLER

SN: 94066-UP

1шт.

2

6138-11-5230

JOINT

SN: 94066-UP

1шт.

3

6136-12-5280

RING,SEAL

SN: 94066-UP

1шт.

4

6131-11-5360

BOLT

SN: 94066-UP

2шт.

5

01602-00825

WASHER,SPRING

SN: 94066-106824

2шт.

6

6137-11-5782

PIPE,DRAIN

SN: 94066-UP

1шт.

7

01435-00865

BOLT,(SEE FIG.0205)

SN: 106825-UP

1шт.

|7

0

BOLT,(SEE FIG.0205)

SN: 94066-106824

1шт.

8

01584-00806

NUT,(SEE FIG.0205)

SN: 106825-UP

1шт.

|8

0

NUT,(SEE FIG.0205)

SN: 94066-106824

1шт.

9

01602-00825

WASHER,SPRING (SEE FIG.0205)

SN: 94066-106824

1шт.

10

01640-20816

WASHER,(SEE FIG.0205)

SN: 94066-106824

2шт.

11

6138-11-5370

ELBOW,EXHAUST

SN: 94066-UP

1шт.

12

07042-20108

PLUG

SN: 94066-UP

1шт.

13

6138-11-5810

GASKET (K1)

SN: 94066-UP

1шт.

14

01435-01045

BOLT

SN: 106825-UP

4шт.

|14

0

BOLT

SN: 94066-106824

4шт.

15

6631-11-5630

SPACER

SN: 94066-UP

4шт.

16

01435-01260

BOLT

SN: 106825-UP

4шт.

|16

0

BOLT

SN: 94066-106824

4шт.

17

6678-51-9520

SPACER

SN: 94066-UP

4шт.

18

01584-01210

NUT

SN: 106825-UP

4шт.

|18

0

NUT

SN: 94066-106824

4шт.

19

6137-11-5772

BRACKET

SN: 94066-UP

1шт.

20

01435-01090

BOLT

SN: 106825-UP

2шт.

|20

0

BOLT

SN: 94066-106824

2шт.

21

01602-01030

WASHER,SPRING

SN: 94066-106824

2шт.

22

6137-11-5651

BRACKET

SN: 94066-UP

1шт.

23

01435-01030

BOLT

SN: 106825-UP

2шт.

|23

0

BOLT

SN: 94066-106824

2шт.

24

01584-01008

NUT

SN: 106825-UP

2шт.

|24

0

NUT

SN: 94066-106824

2шт.

25

01643-31032

WASHER

SN: 106825-UP

2шт.

|25

0

WASHER

SN: 94066-106824

2шт.

26

6137-11-5690

BAND ASS'Y

SN: 94066-UP

1шт.

|26

6110-11-4520

PIN

SN: 94066-UP

1шт.

|26

6110-11-4530

PIN¤ WITH THREAD

SN: 94066-UP

1шт.

27

6643-11-4641

BOLT

SN: 94066-UP

1шт.

28

6151-11-5590

PIPE,EXHAUST

SN: 94066-UP

1шт.

|28

6150-11-5690

PIPE,EXHAUST (FOR WITH RAIN CAP)

SN: 94066-UP

1шт.

29

6150-11-5770

CAP,RAIN

SN: 94066-UP

1шт.

30

6138-11-5620

CLAMP

SN: 94066-UP

1шт.

31

6693-12-5550

BOLT

SN: 94066-UP

1шт.

32

01582-01411

NUT

SN: 94066-UP

2шт.

33

6151-11-5670

WASHER

SN: 94066-UP

2шт.

34

07260-20980

HOSE

SN: 94066-UP

1шт.

35

07285-00155

CLIP

SN: 105967-UP

1шт.

|35

0

CLAMP

SN: 94066-105966

1шт.

Выбрано товаров: 96