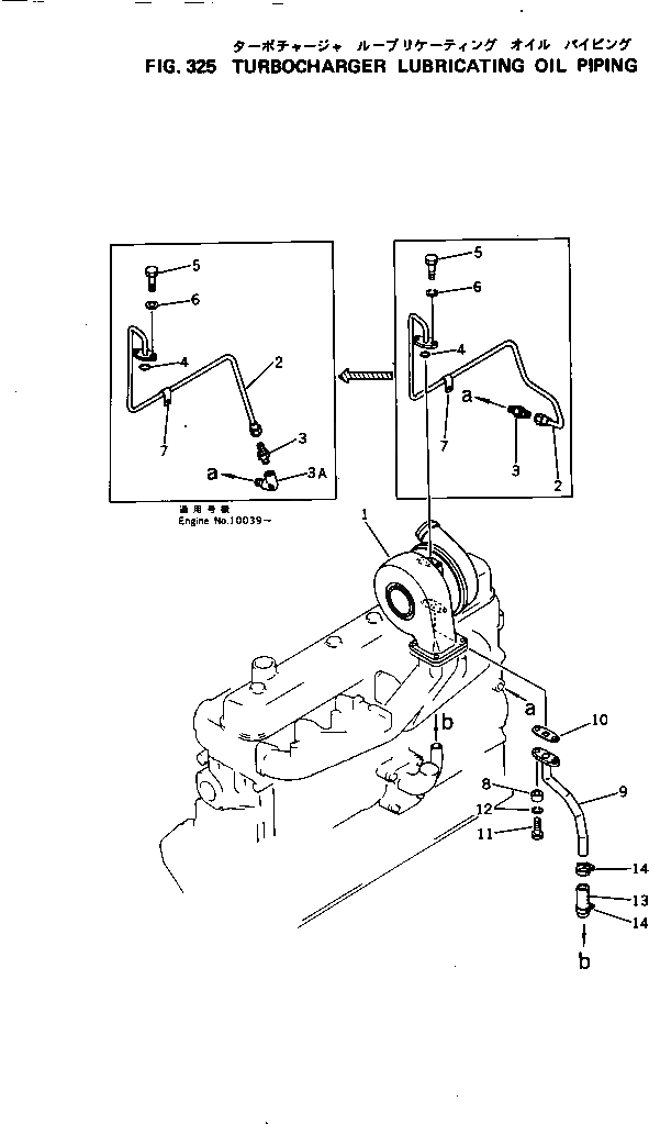
Запчасти Komatsu S6D105-1B ЛИНИЯ СМАЗКИ ТУРБОНАГНЕТАТЕЛЯ СИСТЕМА СМАЗКИ МАСЛ. СИСТЕМА

Схема запчастей Komatsu S6D105-1B - ЛИНИЯ СМАЗКИ ТУРБОНАГНЕТАТЕЛЯ СИСТЕМА СМАЗКИ МАСЛ. СИСТЕМА
FIT
1:1
100%

Артикул

Название

Примечание

Количество

1

6137-81-8301

TURBOCHARGER ASS'Y,(SEE FIG.141)

SN: 12817-UP

1шт.

1

6137-81-8300

TURBOCHARGER ASS'Y,(SEE FIG.141)

SN: 11370-12816

1шт.

2

6137-51-7630

PIPE,INLET

SN: 11370-UP

1шт.

3

07214-51013

CONNECTOR

SN: 11370-UP

1шт.

3A

6137-51-7690

ELBOW

SN: 11370-UP

1шт.

4

07000-62018

O-RING (K2)

SN: 11370-UP

1шт.

5

01010-30822

BOLT

SN: 11370-UP

2шт.

6

01602-00825

WASHER,SPRING

SN: 11370-UP

2шт.

7

6127-51-8240

CLIP

SN: 11370-UP

1шт.

8

6131-12-5920

SPACER

SN: 11370-UP

2шт.

9

6137-51-7620

PIPE,OUTLET

SN: 11370-UP

1шт.

10

6131-51-7681

GASKET (K2)

SN: 11370-UP

1шт.

11

01010-31035

BOLT

SN: .-UP

2шт.

11

01010-31025

BOLT

SN: 11370-.

2шт.

12

01602-01030

WASHER,SPRING

SN: 11370-UP

2шт.

13

07260-22008

HOSE

SN: 11370-UP

1шт.

14

07281-00359

CLAMP

SN: 11370-UP

2шт.

Выбрано товаров: 17