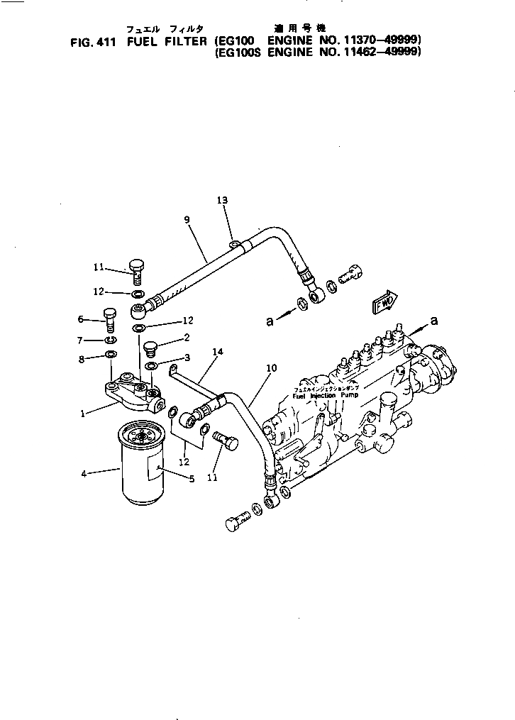
Запчасти Komatsu S6D105-1B ТОПЛИВН. ФИЛЬТР.(№7-9999) ТОПЛИВН. СИСТЕМА

Схема запчастей Komatsu S6D105-1B - ТОПЛИВН. ФИЛЬТР.(№7-9999) ТОПЛИВН. СИСТЕМА
FIT
1:1
100%

Артикул

Название

Примечание

Количество

|$0

6136-71-6100

FUEL FILTER ASS'Y

SN: 11370-49999

1шт.

1

6136-71-6110

HEAD

SN: 11370-49999

1шт.

2

600-311-6720

PLUG

SN: 11370-49999

1шт.

3

07005-00812

GASKET

SN: 11370-@

1шт.

4

6136-71-6120

CARTRIDGE

SN: 11370-@

1шт.

5

600-311-8730

PLATE, CAUTION,(ENGLISH-FRENCH)

SN: 11370-@

1шт.

5

600-311-8750

PLATE, CAUTION,(ENGLISH)

SN: 11370-@

1шт.

6

01010-31035

BOLT

SN: 11370-@

2шт.

7

01602-01030

WASHER,SPRING

SN: 11370-@

2шт.

8

01640-21016

WASHER

SN: 11370-@

2шт.

9

07271-01465

HOSE

SN: 11370-@

1шт.

10

07271-11445

HOSE

SN: 11370-@

1шт.

11

07206-11014

BOLT,JOINT

SN: 11370-@

2шт.

12

07005-01412

GASKET (K2)

SN: 11370-49999

4шт.

13

6130-71-6411

CLIP

SN: 11370-@

1шт.

15

6136-71-5710

CLIP

SN: 11370-@

1шт.

Выбрано товаров: 0