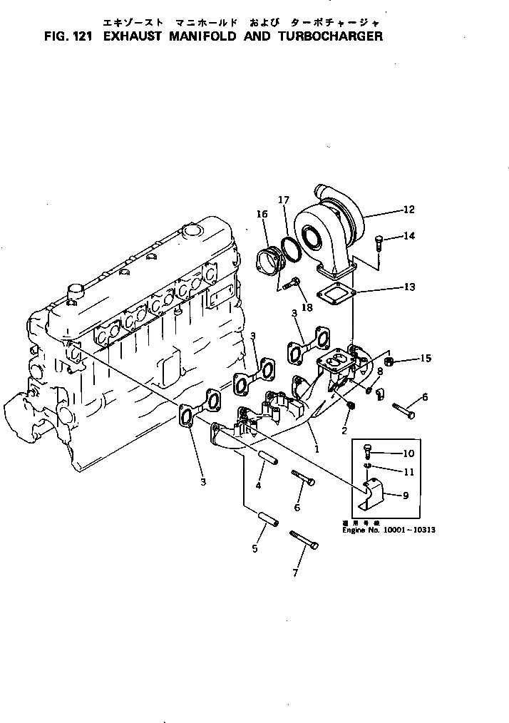
Запчасти Komatsu S6D105-1G ВЫПУСКНОЙ КОЛЛЕКТОР И ТУРБОНАГНЕТАТЕЛЬ ГОЛОВКА ЦИЛИНДРОВ

Схема запчастей Komatsu S6D105-1G - ВЫПУСКНОЙ КОЛЛЕКТОР И ТУРБОНАГНЕТАТЕЛЬ ГОЛОВКА ЦИЛИНДРОВ
FIT
1:1
100%

Артикул

Название

Примечание

Количество

1

6137-11-5110

MANIFOLD,EXHAUST

SN: 12124-UP

1шт.

2

07042-20108

PLUG

SN: .-UP

2шт.

2

07042-20108

PLUG

SN: 12124-.

4шт.

3

6136-11-5810

GASKET (K1)

SN: 12124-UP

3шт.

4

6136-11-5120

SPACER

SN: 12124-UP

11шт.

5

6136-11-5120

SPACER

SN: 12124-UP

1шт.

6

01011-31000

BOLT

SN: .-UP

11шт.

6

01011-31005

BOLT

SN: 12124-.

11шт.

7

01011-31000

BOLT

SN: .-UP

1шт.

7

01011-31005

BOLT

SN: 12124-.

1шт.

8

01643-31032

WASHER

SN: .-UP

1шт.

8

01643-31032

WASHER

SN: 12124-.

13шт.

12

6137-82-8200

TURBOCHARGER ASS'Y,(SEE FIG.141)

SN: 50001-UP

1шт.

12

6137-81-8301

TURBOCHARGER ASS'Y,(SEE FIG.141)

SN: 12817-49999

1шт.

12

0

TURBOCHARGER ASS'Y,(SEE FIG.141)

SN: 12124-12816

1шт.

13

6131-11-5170

GASKET (K1)

SN: 12124-UP

1шт.

14

02030-40638

BOLT

SN: .-UP

4шт.

14

0

BOLT

SN: 12124-.

4шт.

15

6131-11-1290

NUT

SN: 12124-UP

4шт.

16

6131-11-5230

JOINT

SN: 12124-UP

1шт.

17

6114-11-5280

RING,SEAL

SN: 12124-UP

1шт.

18

6131-11-5360

BOLT

SN: 12124-UP

2шт.

Выбрано товаров: 22