Качественные детали и логистика
Оригинальные и аналоговые запчасти с доставкой по России, Казахстану и Беларуси
©2022 PartSell ООО "Система" ИНН 2463123282 ОГРН 1212400004838
Центральный офис: г. Красноярск, Академика Киренского, д.87, пом.4
Телефон: 8 (800) 777-65-74 Email: zakaz@partsell.ru
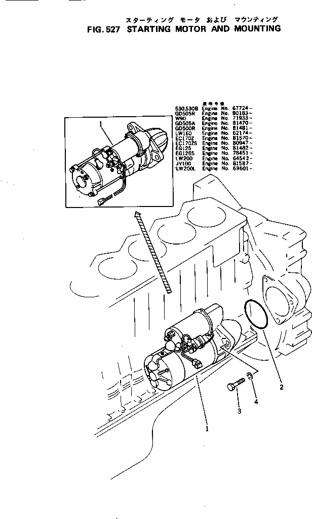
СТАРТЕР И КРЕПЛЕНИЕ
№
Артикул
Название
Примечание
Количество
1
600-813-3280
STARTING MOTOR A.,(5.5KW) (SEE FIG.554A)
SN: 81570-UP
1шт.
600-813-2243
STARTING MOTOR A.,(5.5KW) (SEE FIG.554)
SN: 51634-81569
2
07000-02100
O-RING (K2)
SN: 51634-UP
3
01010-31235
BOLT
3шт.
4
01602-01236
WASHER,SPRING
Выбрано товаров: 0