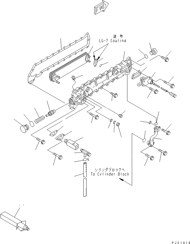
Запчасти Komatsu S6D105-1SS-CR СИСТЕМА СМАЗКИ МАСЛООХЛАДИТЕЛЬ (С ОБОГРЕВАТЕЛЕМ БЛОКА)(№7-) СИСТЕМА СМАЗКИ МАСЛ. СИСТЕМА

Схема запчастей Komatsu S6D105-1SS-CR - СИСТЕМА СМАЗКИ МАСЛООХЛАДИТЕЛЬ (С ОБОГРЕВАТЕЛЕМ БЛОКА)(№7-) СИСТЕМА СМАЗКИ МАСЛ. СИСТЕМА
1
2
3
4
5
6
7
8
9
10
11
12
13
14
15
16
17
17
18
19
20
21
22
23
24
25
26
27
28
29
30
31
32
33
34
35
36
37
38
1
2
3
4
5
6
7
8
9
10
11
12
13
14
15
16
17
17
18
19
20
21
22
23
24
25
26
27
28
29
30
31
32
33
34
35
36
37
38
FIT
1:1
100%

Артикул

Название

Примечание

Количество

1

6136-62-2211

COVER ASS'Y

SN: 103086-UP

1шт.

1

07043-00415

PLUG

SN: 86535-UP

1шт.

2

02720-40607

PLUG

SN: 86535-UP

2шт.

3

6138-61-2180

PLUG

SN: 86535-UP

1шт.

4

6136-61-2190

O-RING

SN: 86535-UP

1шт.

5

6136-62-2170

VALVE,THERMO

SN: 86535-UP

1шт.

6

6136-62-2160

SPRING

SN: 86535-UP

1шт.

7

6136-62-2140

PLUG

SN: 86535-UP

1шт.

8

6136-61-2150

O-RING

SN: 86535-UP

1шт.

9

600-651-1411

ELEMENT

SN: 86535-UP

1шт.

10

6136-61-2190

O-RING

SN: 86535-UP

2шт.

11

6136-61-2290

GASKET

SN: 103086-UP

2шт.

12

01580-10806

NUT

SN: 86535-UP

4шт.

13

01602-20825

WASHER,SPRING

SN: 86535-UP

4шт.

14

01641-20812

WASHER

SN: 86535-UP

4шт.

15

6136-61-2811

GASKET

SN: 86535-UP

1шт.

16

01435-20820

BOLT

SN: 106557-UP

4шт.

17

01435-20825

BOLT

SN: 106557-UP

3шт.

18

01435-20830

BOLT

SN: 106557-UP

12шт.

19

01435-20860

BOLT

SN: 106557-UP

1шт.

20

01640-20816

WASHER

SN: 106557-UP

1шт.

21

6136-51-6311

PIPE,OIL

SN: 86535-UP

1шт.

22

07000-23022

O-RING

SN: 86535-UP

1шт.

23

07000-63028

O-RING

SN: 86535-UP

1шт.

24

01435-20825

BOLT

SN: 106557-UP

1шт.

25

01435-20835

BOLT

SN: 106557-UP

1шт.

26

600-815-6470

HEATER,BLOCK

SN: 86535-UP

1шт.

27

6136-61-6810

GASKET

SN: 86535-UP

1шт.

28

01435-20875

BOLT

SN: 106557-UP

2шт.

29

01435-20820

BOLT

SN: 106557-UP

2шт.

30

07042-00415

PLUG

SN: 86535-UP

1шт.

31

6136-61-9720

PLATE

SN: 86535-UP

1шт.

32

6136-61-8810

GASKET

SN: 86535-UP

1шт.

33

01435-20860

BOLT

SN: 106557-UP

2шт.

34

6136-61-8670

NIPPLE

SN: 86535-UP

1шт.

35

6140-61-6512

VALVE,DRAIN

SN: 86535-UP

1шт.

36

07286-00835

HOSE

SN: 92253-UP

1шт.

37

6144-61-6510

CLIP

SN: 86535-UP

1шт.

38

09920-00150

LIQUID GASKET,LG-7 150G

SN: 103086-UP

-2шт.

1

6136-62-2211

COVER ASS'Y

SN: 103086-UP

1шт.

1

07043-00415

PLUG

SN: 86535-UP

1шт.

2

02720-40607

PLUG

SN: 86535-UP

2шт.

3

6138-61-2180

PLUG

SN: 86535-UP

1шт.

4

6136-61-2190

O-RING

SN: 86535-UP

1шт.

5

6136-62-2170

VALVE,THERMO

SN: 86535-UP

1шт.

6

6136-62-2160

SPRING

SN: 86535-UP

1шт.

7

6136-62-2140

PLUG

SN: 86535-UP

1шт.

8

6136-61-2150

O-RING

SN: 86535-UP

1шт.

9

600-651-1411

ELEMENT

SN: 86535-UP

1шт.

10

6136-61-2190

O-RING

SN: 86535-UP

2шт.

11

6136-61-2290

GASKET

SN: 103086-UP

2шт.

12

01580-10806

NUT

SN: 86535-UP

4шт.

13

01602-20825

WASHER,SPRING

SN: 86535-UP

4шт.

14

01641-20812

WASHER

SN: 86535-UP

4шт.

15

6136-61-2811

GASKET

SN: 86535-UP

1шт.

16

01435-20820

BOLT

SN: 106557-UP

4шт.

17

01435-20825

BOLT

SN: 106557-UP

3шт.

18

01435-20830

BOLT

SN: 106557-UP

12шт.

19

01435-20860

BOLT

SN: 106557-UP

1шт.

20

01640-20816

WASHER

SN: 106557-UP

1шт.

21

6136-51-6311

PIPE,OIL

SN: 86535-UP

1шт.

22

07000-23022

O-RING

SN: 86535-UP

1шт.

23

07000-63028

O-RING

SN: 86535-UP

1шт.

24

01435-20825

BOLT

SN: 106557-UP

1шт.

25

01435-20835

BOLT

SN: 106557-UP

1шт.

26

600-815-6470

HEATER,BLOCK

SN: 86535-UP

1шт.

27

6136-61-6810

GASKET

SN: 86535-UP

1шт.

28

01435-20875

BOLT

SN: 106557-UP

2шт.

29

01435-20820

BOLT

SN: 106557-UP

2шт.

30

07042-00415

PLUG

SN: 86535-UP

1шт.

31

6136-61-9720

PLATE

SN: 86535-UP

1шт.

32

6136-61-8810

GASKET

SN: 86535-UP

1шт.

33

01435-20860

BOLT

SN: 106557-UP

2шт.

34

6136-61-8670

NIPPLE

SN: 86535-UP

1шт.

35

6140-61-6512

VALVE,DRAIN

SN: 86535-UP

1шт.

36

07286-00835

HOSE

SN: 92253-UP

1шт.

37

6144-61-6510

CLIP

SN: 86535-UP

1шт.

38

09920-00150

LIQUID GASKET,LG-7 150G

SN: 103086-UP

-2шт.

Выбрано товаров: 0