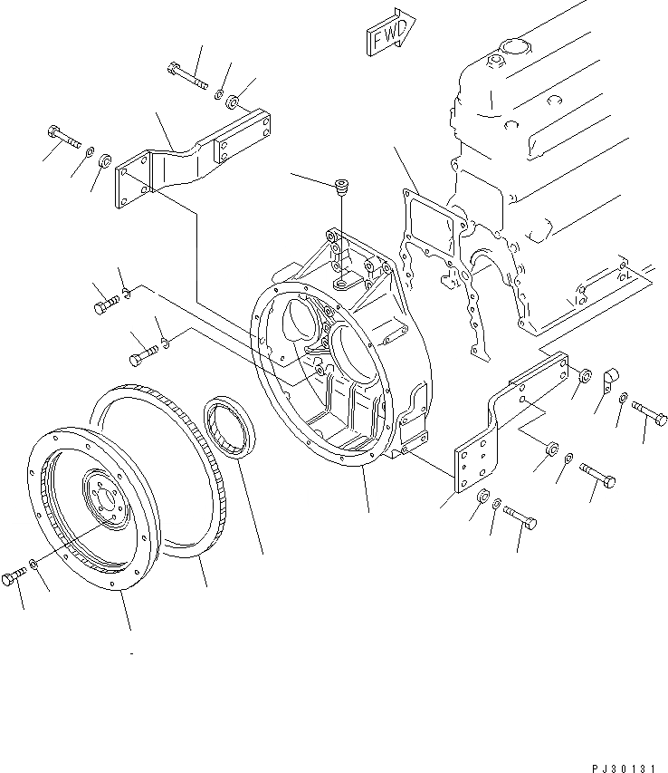
Запчасти Komatsu S6D105-1WW МАХОВИК И КАРТЕР МАХОВИКА (KEY СТОП ТИП) БЛОК ЦИЛИНДРОВ

Схема запчастей Komatsu S6D105-1WW - МАХОВИК И КАРТЕР МАХОВИКА (KEY СТОП ТИП) БЛОК ЦИЛИНДРОВ
1
2
3
4
5
6
6
7
8
9
10
11
12
13
14
14
15
16
16
17
17
17
17
17
18
18
18
18
18
19
1
2
3
4
5
6
6
7
8
9
10
11
12
13
14
14
15
16
16
17
17
17
17
17
18
18
18
18
18
19
FIT
1:1
100%

Артикул

Название

Примечание

Количество

1

6136-21-4230

HOUSING,FLYWHEEL

SN: 63244-UP

1шт.

2

02720-20810

PLUG

SN: 63244-UP

1шт.

3

6136-21-4812

GASKET (K2)

SN: 63244-UP

1шт.

4

01010-31240

BOLT

SN: 63244-UP

9шт.

5

01010-31260

BOLT

SN: 63244-UP

2шт.

6

01602-01236

WASHER,SPRING

SN: 63244-UP

11шт.

7

6130-21-4231

SEAL¤ REAR (K2)

SN: 63244-UP

1шт.

|8

6136-31-1160

FLYWHEEL ASS'Y

SN: 63244-UP

1шт.

8

0

FLYWHEEL

SN: 63244-UP

1шт.

9

6130-32-1321

GEAR,RING

SN: 85129-UP

1шт.

|9

0

GEAR,RING

SN: 63244-85128

1шт.

10

01050-31435

BOLT

SN: 63244-UP

6шт.

11

6110-11-1620

WASHER

SN: 63244-UP

6шт.

12

6136-21-4640

SUPPORT,L.H.

SN: 63244-UP

1шт.

13

6136-21-4630

SUPPORT,R.H.

SN: 63244-UP

1шт.

14

01010-31245

BOLT

SN: 63244-UP

8шт.

15

01010-31265

BOLT

SN: 63244-UP

4шт.

16

01010-31255

BOLT

SN: 63244-UP

4шт.

17

01643-31232

WASHER

SN: 63244-UP

16шт.

18

6131-22-3760

BOSS

SN: 63244-UP

14шт.

19

08036-10814

CLIP

SN: 63244-UP

1шт.

1

6136-21-4230

HOUSING,FLYWHEEL

SN: 63244-UP

1шт.

2

02720-20810

PLUG

SN: 63244-UP

1шт.

3

6136-21-4812

GASKET (K2)

SN: 63244-UP

1шт.

4

01010-31240

BOLT

SN: 63244-UP

9шт.

5

01010-31260

BOLT

SN: 63244-UP

2шт.

6

01602-01236

WASHER,SPRING

SN: 63244-UP

11шт.

7

6130-21-4231

SEAL¤ REAR (K2)

SN: 63244-UP

1шт.

|8

6136-31-1160

FLYWHEEL ASS'Y

SN: 63244-UP

1шт.

8

0

FLYWHEEL

SN: 63244-UP

1шт.

9

6130-32-1321

GEAR,RING

SN: 85129-UP

1шт.

|9

0

GEAR,RING

SN: 63244-85128

1шт.

10

01050-31435

BOLT

SN: 63244-UP

6шт.

11

6110-11-1620

WASHER

SN: 63244-UP

6шт.

12

6136-21-4640

SUPPORT,L.H.

SN: 63244-UP

1шт.

13

6136-21-4630

SUPPORT,R.H.

SN: 63244-UP

1шт.

14

01010-31245

BOLT

SN: 63244-UP

8шт.

15

01010-31265

BOLT

SN: 63244-UP

4шт.

16

01010-31255

BOLT

SN: 63244-UP

4шт.

17

01643-31232

WASHER

SN: 63244-UP

16шт.

18

6131-22-3760

BOSS

SN: 63244-UP

14шт.

19

08036-10814

CLIP

SN: 63244-UP

1шт.

Выбрано товаров: 0