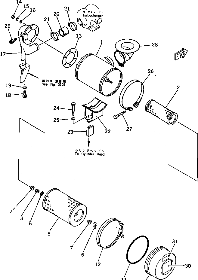
Запчасти Komatsu S6D105-1WW ВОЗДУХООЧИСТИТЕЛЬ И КРЕПЛЕНИЕ (ТУННЕЛЬН. СПЕЦ-Я.) ГОЛОВКА ЦИЛИНДРОВ

Схема запчастей Komatsu S6D105-1WW - ВОЗДУХООЧИСТИТЕЛЬ И КРЕПЛЕНИЕ (ТУННЕЛЬН. СПЕЦ-Я.) ГОЛОВКА ЦИЛИНДРОВ
FIT
1:1
100%

Артикул

Название

Примечание

Количество

|1

600-181-1500

AIR CLEANER ASS'Y

SN: 84313-UP

1шт.

1

600-181-1350

BODY

SN: 84313-UP

1шт.

|2

600-181-1550

ELEMENT ASS'Y

SN: 84313-UP

1шт.

2

0

ELEMENT,INNER

SN: 84313-UP

1шт.

3

600-181-7910

NUT

SN: 101765-UP

1шт.

|3

0

NUT

SN: 84313-101764

1шт.

4

600-181-7511

WASHER,SEAL

SN: 84313-UP

1шт.

|5

600-181-2300

ELEMENT ASS'Y,OUTER

SN: 101765-UP

1шт.

|5

0

ELEMENT ASS'Y,OUTER

SN: 84313-101764

1шт.

5

0

ELEMENT,OUTER

SN: 101765-UP

1шт.

|5

0

ELEMENT,OUTER

SN: 84313-101764

1шт.

6

600-181-2990

NUT,WING

SN: 101765-UP

1шт.

|6

0

NUT,WING

SN: 84313-101764

1шт.

7

600-181-4591

WASHER,SEAL

SN: 84313-UP

1шт.

8

04064-01510

RING,SNAP

SN: 84313-UP

1шт.

9

600-181-1360

COVER

SN: 84313-UP

1шт.

10

600-181-1370

VALVE

SN: 84313-UP

1шт.

11

600-181-1290

O-RING

SN: 84313-UP

1шт.

12

600-181-1280

CLAMP ASS'Y

SN: 84313-UP

1шт.

13

6136-11-4840

GASKET (K1)

SN: 89085-UP

1шт.

|13

0

GASKET (K1)

SN: 84313-89084

1шт.

14

01582-01008

NUT

SN: 84313-UP

6шт.

15

01602-01030

WASHER,SPRING

SN: 84313-UP

6шт.

16

01640-21016

WASHER

SN: 84313-UP

6шт.

17

6137-11-4410

CONNECTOR,AIR

SN: 84313-UP

1шт.

18

01010-31025

BOLT

SN: 84313-UP

2шт.

19

01602-01030

WASHER,SPRING

SN: 84313-UP

2шт.

20

6131-11-4470

HOSE

SN: 92931-UP

1шт.

|20

0

HOSE

SN: 84313-92930

1шт.

21

07281-00909

CLAMP

SN: 84313-UP

2шт.

22

6137-11-4640

BRACKET

SN: 84313-UP

1шт.

23

6137-11-4750

SPACER

SN: 84313-UP

1шт.

24

01011-31025

BOLT

SN: 84313-UP

2шт.

25

01643-31032

WASHER

SN: 84313-UP

2шт.

26

6691-11-4610

BAND ASS'Y

SN: 84313-UP

1шт.

27

6643-11-4641

BOLT

SN: 84313-UP

1шт.

28

6137-11-4630

PIPE

SN: 84313-UP

1шт.

29

08670-02001

INDICATOR,DUST

SN: 101762-UP

1шт.

|29

08670-00635

INDICATOR,DUST (JAPANESE-ENGLISH)

SN: 84313-101761

1шт.

30

09637-00161

PLATE¤ INSTRUCTION,(JAPANESE-ENGLISH)

SN: 84313-UP

1шт.

31

6137-81-8860

PLATE,PART NO. (FOR TBG SPEC./ABE)

SN: 84313-UP

1шт.

|1

600-181-1500

AIR CLEANER ASS'Y

SN: 84313-UP

1шт.

1

600-181-1350

BODY

SN: 84313-UP

1шт.

|2

600-181-1550

ELEMENT ASS'Y

SN: 84313-UP

1шт.

2

0

ELEMENT,INNER

SN: 84313-UP

1шт.

3

600-181-7910

NUT

SN: 101765-UP

1шт.

|3

0

NUT

SN: 84313-101764

1шт.

4

600-181-7511

WASHER,SEAL

SN: 84313-UP

1шт.

|5

600-181-2300

ELEMENT ASS'Y,OUTER

SN: 101765-UP

1шт.

|5

0

ELEMENT ASS'Y,OUTER

SN: 84313-101764

1шт.

5

0

ELEMENT,OUTER

SN: 101765-UP

1шт.

|5

0

ELEMENT,OUTER

SN: 84313-101764

1шт.

6

600-181-2990

NUT,WING

SN: 101765-UP

1шт.

|6

0

NUT,WING

SN: 84313-101764

1шт.

7

600-181-4591

WASHER,SEAL

SN: 84313-UP

1шт.

8

04064-01510

RING,SNAP

SN: 84313-UP

1шт.

9

600-181-1360

COVER

SN: 84313-UP

1шт.

10

600-181-1370

VALVE

SN: 84313-UP

1шт.

11

600-181-1290

O-RING

SN: 84313-UP

1шт.

12

600-181-1280

CLAMP ASS'Y

SN: 84313-UP

1шт.

13

6136-11-4840

GASKET (K1)

SN: 89085-UP

1шт.

|13

0

GASKET (K1)

SN: 84313-89084

1шт.

14

01582-01008

NUT

SN: 84313-UP

6шт.

15

01602-01030

WASHER,SPRING

SN: 84313-UP

6шт.

16

01640-21016

WASHER

SN: 84313-UP

6шт.

17

6137-11-4410

CONNECTOR,AIR

SN: 84313-UP

1шт.

18

01010-31025

BOLT

SN: 84313-UP

2шт.

19

01602-01030

WASHER,SPRING

SN: 84313-UP

2шт.

20

6131-11-4470

HOSE

SN: 92931-UP

1шт.

|20

0

HOSE

SN: 84313-92930

1шт.

21

07281-00909

CLAMP

SN: 84313-UP

2шт.

22

6137-11-4640

BRACKET

SN: 84313-UP

1шт.

23

6137-11-4750

SPACER

SN: 84313-UP

1шт.

24

01011-31025

BOLT

SN: 84313-UP

2шт.

25

01643-31032

WASHER

SN: 84313-UP

2шт.

26

6691-11-4610

BAND ASS'Y

SN: 84313-UP

1шт.

27

6643-11-4641

BOLT

SN: 84313-UP

1шт.

28

6137-11-4630

PIPE

SN: 84313-UP

1шт.

29

08670-02001

INDICATOR,DUST

SN: 101762-UP

1шт.

|29

08670-00635

INDICATOR,DUST (JAPANESE-ENGLISH)

SN: 84313-101761

1шт.

30

09637-00161

PLATE¤ INSTRUCTION,(JAPANESE-ENGLISH)

SN: 84313-UP

1шт.

31

6137-81-8860

PLATE,PART NO. (FOR TBG SPEC./ABE)

SN: 84313-UP

1шт.

Выбрано товаров: 82