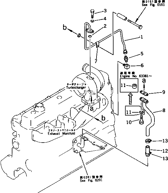
Запчасти Komatsu S6D105-1Z ЛИНИЯ СМАЗКИ ТУРБОНАГНЕТАТЕЛЯ СИСТЕМА СМАЗКИ МАСЛ. СИСТЕМА

Схема запчастей Komatsu S6D105-1Z - ЛИНИЯ СМАЗКИ ТУРБОНАГНЕТАТЕЛЯ СИСТЕМА СМАЗКИ МАСЛ. СИСТЕМА
FIT
1:1
100%

Артикул

Название

Примечание

Количество

1

6137-51-7650

PIPE,INLET

SN: 62361-UP

1шт.

2

07000-62018

O-RING (K1)

SN: 62361-UP

1шт.

3

01010-30822

BOLT

SN: 62361-UP

2шт.

4

01602-00825

WASHER,SPRING

SN: 62361-UP

2шт.

5

07214-51013

CONNECTOR

SN: 62361-UP

1шт.

6

6137-51-7690

ELBOW

SN: 62361-UP

1шт.

7

6127-51-8240

CLIP

SN: 62361-UP

1шт.

8

6137-51-7660

PIPE,OUTLET

SN: 62361-UP

1шт.

9

6131-51-7681

GASKET (K1)

SN: 62361-UP

1шт.

10

01010-31035

BOLT

SN: 62361-UP

2шт.

11

6131-12-5920

SPACER

SN: 63381-UP

2шт.

|11

01602-01030

WASHER,SPRING

SN: 62361-63380

2шт.

12

07260-22008

HOSE

SN: 62361-UP

1шт.

13

07281-00359

CLAMP

SN: 62361-UP

2шт.

Выбрано товаров: 14