Запчасти Komatsu S6D105-B-1A-5 ТОПЛИВН. ФИЛЬТР. И ТРУБЫ(№788-) ТОПЛИВН. СИСТЕМА

Схема запчастей Komatsu S6D105-B-1A-5 - ТОПЛИВН. ФИЛЬТР. И ТРУБЫ(№788-) ТОПЛИВН. СИСТЕМА
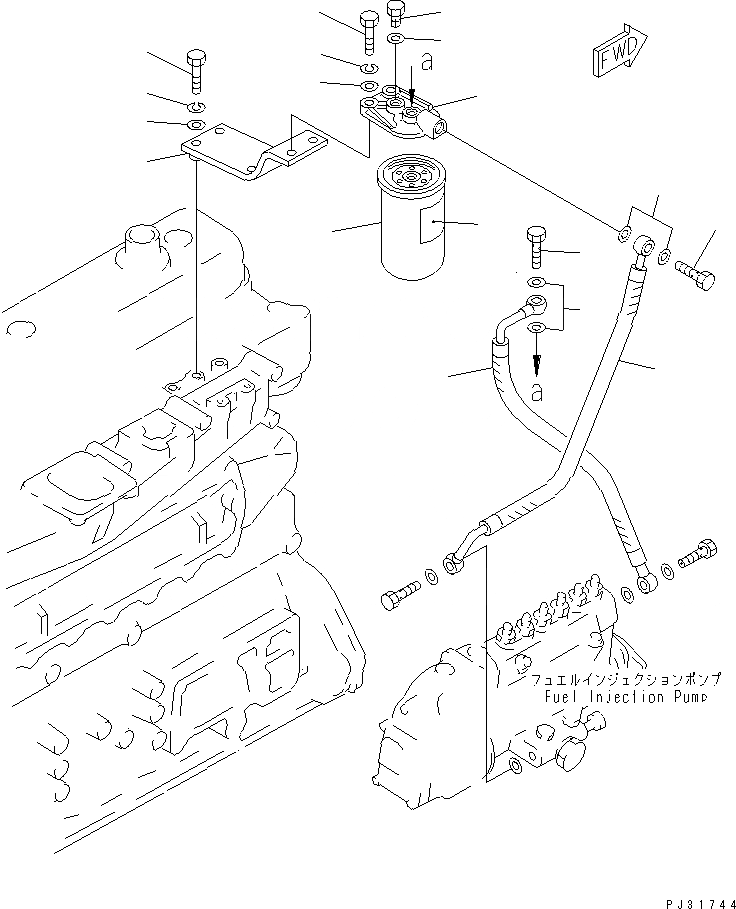
1
2
3
4
5
6
7
8
8
9
9
10
11
12
12
13
13
14
FIT
1:1
100%

Артикул

Название

Примечание

Количество

|1

6136-72-6100

FUEL FILTER ASS'Y

SN: 61481-UP

1шт.

1

6136-72-6110

COVER

SN: 61481-UP

1шт.

2

600-311-6710

PLUG

SN: 61481-UP

1шт.

3

07005-01412

GASKET

SN: 97284-UP

1шт.

|3

07005-01412

GASKET (K2)

SN: 61481-97283

1шт.

4

6136-71-6120

CARTRIDGE

SN: 61481-UP

1шт.

5

6136-71-5870

BRACKET

SN: 78805-UP

1шт.

6

01010-31035

BOLT

SN: 78805-UP

2шт.

7

01010-31030

BOLT

SN: 78805-UP

2шт.

8

01602-01030

WASHER,SPRING

SN: 78805-UP

4шт.

9

01640-21016

WASHER

SN: 78805-UP

4шт.

10

6131-72-5610

HOSE,FUEL

SN: 78805-UP

1шт.

11

6137-71-5910

HOSE,FUEL

SN: 93848-UP

1шт.

|11

6134-71-5910

HOSE,FUEL

SN: 78805-93847

1шт.

12

07206-11014

BOLT,JOINT

SN: 61481-UP

2шт.

13

07005-01412

GASKET (K2)

SN: 61481-UP

4шт.

14

600-311-8632

PLATE¤ CAUTION,(ENGLISH-GERMAN)

SN: 78805-UP

1шт.

|14

600-311-8672

PLATE¤ CAUTION,(FOR COLD WEATHER)

SN: 78805-UP

1шт.

|14

600-311-8673

PLATE¤ CAUTION,(RUSSIAN)

SN: 61481-UP

1шт.

|14

600-311-8750

PLATE¤ CAUTION,(ENGLISH)

SN: 61481-UP

1шт.

|14

600-311-8830

PLATE¤ CAUTION,(CHINESE)

SN: 78805-UP

1шт.

|14

600-311-8850

PLATE¤ CAUTION,(PERSIAN)

SN: 78805-UP

1шт.

|14

6136-81-9190

PLATE¤ INSTRUCTION,(ENGLISH-SWEDISH)

SN: 61481-UP

1шт.

Выбрано товаров: 0