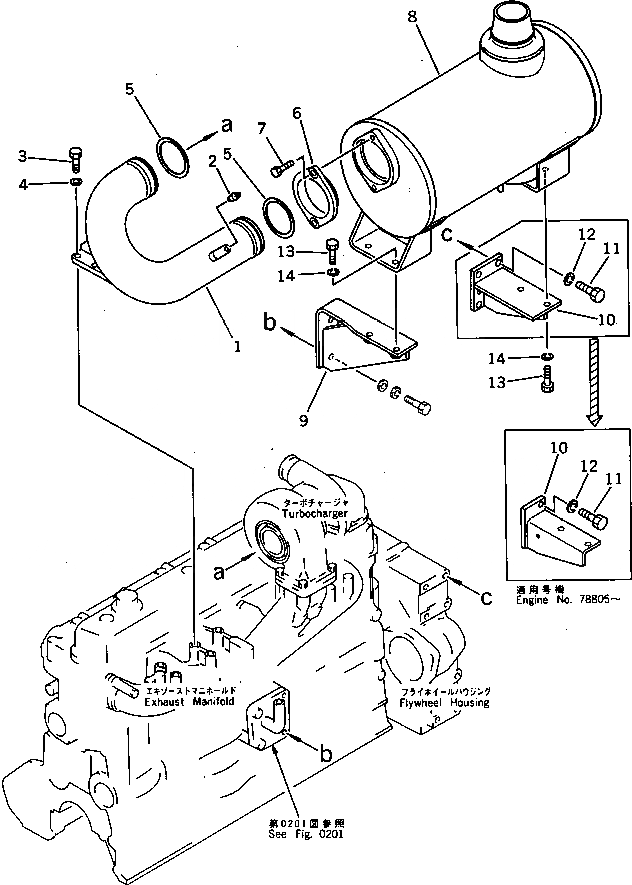
Запчасти Komatsu S6D105-B-1A ГЛУШИТЕЛЬ И КРЕПЛЕНИЕ ГОЛОВКА ЦИЛИНДРОВ

Схема запчастей Komatsu S6D105-B-1A - ГЛУШИТЕЛЬ И КРЕПЛЕНИЕ ГОЛОВКА ЦИЛИНДРОВ
FIT
1:1
100%

Артикул

Название

Примечание

Количество

1

6137-11-5360

CONNECTOR

SN: 61481-UP

1шт.

2

07042-00108

PLUG

SN: 61481-UP

1шт.

3

01010-81025

BOLT

SN: 61481-UP

4шт.

4

01642-01016

WASHER

SN: 61481-UP

4шт.

5

6136-12-5280

RING,SEAL

SN: 87782-UP

2шт.

|5

0

RING,SEAL

SN: 61481-87781

2шт.

6

6137-11-5370

JOINT

SN: 61481-UP

1шт.

7

6131-11-5360

BOLT

SN: 61481-UP

2шт.

8

6137-11-5550

MUFFLER

SN: 61481-UP

1шт.

9

6137-11-5750

BRACKET

SN: 61481-UP

1шт.

10

6137-12-5760

BRACKET

SN: 78805-UP

1шт.

|10

0

BRACKET

SN: 61481-78804

1шт.

11

01010-31230

BOLT

SN: 78805-UP

2шт.

|11

01010-31230

BOLT

SN: 61481-78804

4шт.

12

01602-01236

WASHER,SPRING

SN: 78805-UP

2шт.

|12

01602-01236

WASHER,SPRING

SN: 61481-78804

4шт.

13

01010-31025

BOLT

SN: 61481-UP

4шт.

14

01602-01030

WASHER,SPRING

SN: 61481-UP

4шт.

Выбрано товаров: 18