Запчасти Komatsu S6D108-1B - -

Схема запчастей Komatsu S6D108-1B - - -
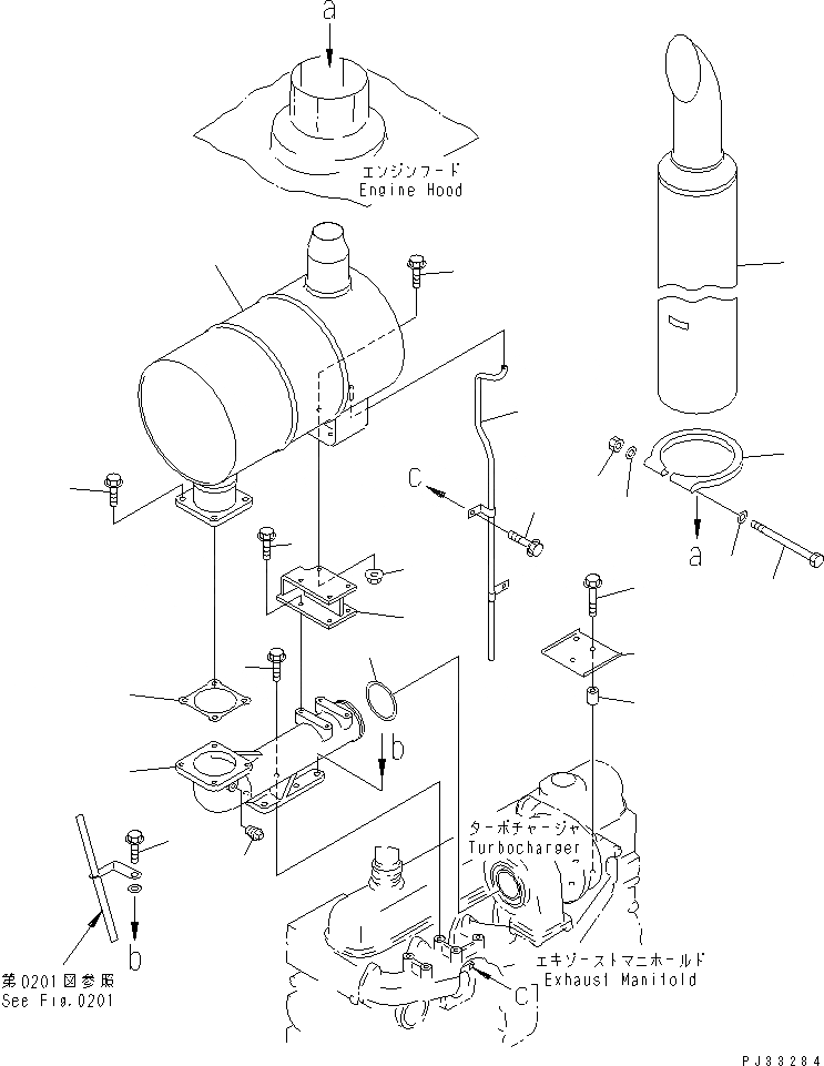
1
2
3
4
5
6
7
8
9
9
10
11
12
13
14
15
16
17
18
19
20
21
21
FIT
1:1
100%

Артикул

Название

Примечание

Количество

1

6150-11-5910

SN: 11731-UP

1шт.

2

6221-11-5340

SN: 11731-UP

1шт.

3

07042-20108

SN: 11731-UP

2шт.

4

6137-11-5290

SN: 11731-UP

1шт.

5

01435-01025

SN: 11731-UP

4шт.

6

01435-01030

SN: 11731-UP

1шт.

7

6150-11-5710

SN: 11731-UP

1шт.

8

6221-11-5510

SN: 11731-UP

1шт.

9

01435-01020

SN: 11731-UP

8шт.

10

01435-01025

SN: 11731-UP

4шт.

11

01584-01008

SN: 11731-UP

4шт.

12

6221-11-4920

SN: 11731-UP

1шт.

13

6134-12-5120

SN: 11731-UP

3шт.

14

01435-01040

SN: 11731-UP

3шт.

15

6221-11-5460

SN: 11731-UP

1шт.

16

01435-01016

SN: 11731-UP

1шт.

17

6691-11-5531

SN: 11731-UP

1шт.

18

6693-12-5540

SN: 11731-UP

1шт.

19

6693-12-5550

SN: 11731-UP

1шт.

20

01582-21411

SN: 11731-UP

1шт.

21

01640-21426

SN: 11731-UP

2шт.

Выбрано товаров: 21