Запчасти Komatsu S6D108-1B - -

Схема запчастей Komatsu S6D108-1B - - -
FIT
1:1
100%

Артикул

Название

Примечание

Количество

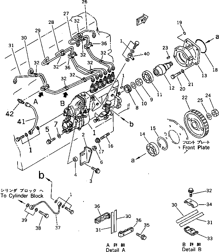
1

6221-71-1320

INJECTION PUMP

SN: 11731-UP

1шт.

|1

DK029470-4030

KEY

SN: 11731-UP

1шт.

2

6221-71-1871

BRACKET

SN: 11731-UP

1шт.

3

01435-01020

BOLT

SN: 11731-UP

2шт.

4

201-03-29160

SPACER

SN: 11731-UP

1шт.

5

01435-01040

BOLT

SN: 11731-UP

1шт.

6

01584-01008

NUT

SN: 11731-UP

1шт.

7

01643-31032

WASHER

SN: 11731-UP

1шт.

8

6221-71-3460

GEAR

SN: 11731-UP

1шт.

9

01583-01408

NUT

SN: 11731-UP

1шт.

10

6130-32-1361

WASHER

SN: 11731-UP

1шт.

|11

6221-71-3200

HOUSING

SN: 11731-UP

1шт.

11

06000-06910

BEARING

SN: 11731-UP

1шт.

12

6221-71-3410

SHAFT

SN: 11731-UP

1шт.

13

6221-71-3120

HOUSING

SN: 11731-UP

1шт.

14

06000-06307

BALL BEARING

SN: 11731-UP

1шт.

15

04065-08025

SNAP RING

SN: 11731-UP

1шт.

16

01144-31035

STUD

SN: 11731-UP

4шт.

17

01584-01008

NUT

SN: 11731-UP

4шт.

18

07000-62100

O-RING

SN: 11731-UP

1шт.

19

07000-62012

O-RING

SN: 11731-UP

1шт.

20

01050-31022

BOLT

SN: 11731-UP

4шт.

21

01640-21016

WASHER

SN: 11731-UP

4шт.

22

6221-71-3210

GEAR

SN: 11731-UP

1шт.

23

04010-00519

KEY

SN: 11731-UP

1шт.

24

01583-02012

NUT

SN: 11731-UP

1шт.

25

01643-32060

WASHER

SN: 11731-UP

1шт.

26

6221-71-5210

TUBE

SN: 11731-UP

1шт.

27

6221-71-5220

TUBE

SN: 11731-UP

1шт.

28

6221-71-5230

TUBE

SN: 11731-UP

1шт.

29

6221-71-5240

TUBE

SN: 11731-UP

1шт.

30

6221-71-5250

TUBE

SN: 11731-UP

1шт.

31

6221-71-5260

TUBE

SN: 11731-UP

1шт.

|32

6221-71-5701

CLAMP ASS'Y

SN: 11731-UP

8шт.

32

6221-71-5711

BOLT

SN: 11731-UP

1шт.

33

6206-71-5730

CLAMP

SN: 11731-UP

1шт.

34

6144-71-5730

CLIP

SN: 11731-UP

1шт.

35

01435-20625

BOLT

SN: 11731-UP

6шт.

36

6221-71-5550

CLAMP

SN: 11731-UP

6шт.

37

6221-71-4260

PIPE

SN: 11731-UP

1шт.

38

07206-10610

JOINT

SN: 11731-UP

1шт.

39

07005-01012

SEAL

SN: 11731-UP

2шт.

40

6144-71-5750

JOINT

SN: 11731-UP

1шт.

41

6221-11-4360

TUBE

SN: 11731-UP

1шт.

42

07214-50710

NIPPLE

SN: 11731-UP

1шт.

Выбрано товаров: 45