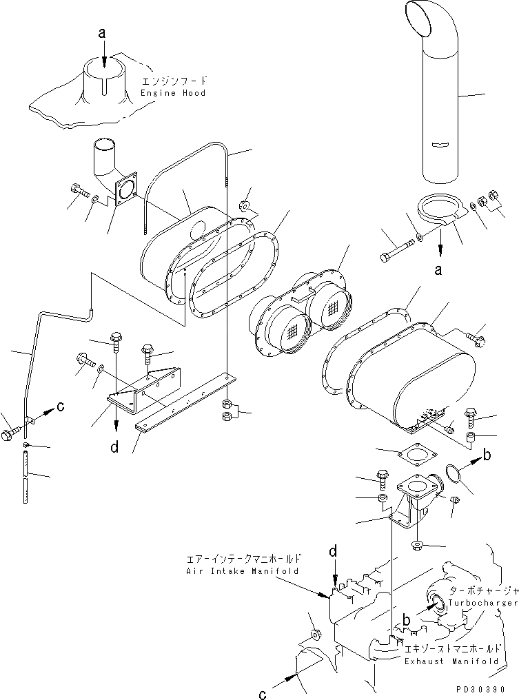
Запчасти Komatsu S6D108-1D-TN ГЛУШИТЕЛЬ (КЕРАМИЧ. ТИП) ДВИГАТЕЛЬ

Схема запчастей Komatsu S6D108-1D-TN - ГЛУШИТЕЛЬ (КЕРАМИЧ. ТИП) ДВИГАТЕЛЬ
1
2
3
4
4
5
6
7
8
9
10
11
12
13
14
15
16
17
18
19
20
21
22
23
24
25
26
27
28
29
30
31
32
33
34
35
36
36
37
1
2
3
4
4
5
6
7
8
9
10
11
12
13
14
15
16
17
18
19
20
21
22
23
24
25
26
27
28
29
30
31
32
33
34
35
36
36
37
FIT
1:1
100%

Артикул

Название

Примечание

Количество

|1

6138-12-5511

MUFFLER,CERAMIC

SN: 17257-UP

1шт.

1

6138-12-5521

BODY ASS'Y

SN: 17257-UP

1шт.

2

6138-12-5530

BODY ASS'Y

SN: 17257-UP

1шт.

3

6138-12-5550

FILTER,CERAMIC

SN: 17257-UP

1шт.

4

6138-12-5561

GASKET

SN: 17257-UP

2шт.

5

01435-01030

BOLT

SN: 17257-UP

18шт.

6

01584-01008

NUT

SN: 17257-UP

18шт.

7

07042-20108

PLUG,(FOR SHIPPING)

SN: 17257-UP

1шт.

8

6151-11-5750

GASKET (K1)

SN: 17257-UP

1шт.

9

01435-01260

BOLT

SN: 17257-UP

4шт.

10

01584-01210

NUT

SN: 17257-UP

4шт.

11

6678-51-9520

SPACER

SN: 17257-UP

4шт.

12

6138-12-5680

U-BOLT

SN: 17257-UP

1шт.

13

01581-01008

NUT

SN: 17257-UP

4шт.

14

6221-11-5660

PIPE,EXHAUST

SN: 17257-UP

1шт.

15

01020-01225

BOLT

SN: 17257-UP

4шт.

16

01643-31232

WASHER

SN: 17257-UP

4шт.

17

6221-11-5730

BRACKET

SN: 17257-UP

1шт.

18

01435-01025

BOLT

SN: 17257-UP

2шт.

19

01435-01035

BOLT

SN: 17257-UP

2шт.

20

6221-11-5720

BRACKET

SN: 17257-UP

1шт.

21

01435-01035

BOLT

SN: 17257-UP

3шт.

22

01643-31032

WASHER

SN: 17257-UP

3шт.

23

6221-11-5410

ELBOW,EXHAUST

SN: 17257-UP

1шт.

24

01435-01035

BOLT

SN: 17257-UP

4шт.

25

6132-21-4630

SPACER

SN: 17257-UP

4шт.

26

07042-20108

PLUG

SN: 17257-UP

1шт.

27

6137-11-5291

RING,SEAL

SN: 17257-UP

1шт.

28

6221-11-5490

TUBE,DRAIN

SN: 17257-UP

1шт.

29

01435-00865

BOLT

SN: 17257-UP

1шт.

30

01584-00806

NUT

SN: 17257-UP

1шт.

31

07260-20980

HOSE

SN: 17257-UP

1шт.

32

07285-00155

CLIP

SN: 17257-UP

1шт.

33

6151-11-4950

PIPE,EXHAUST

SN: 17257-UP

1шт.

34

6138-11-5620

CLAMP

SN: 17257-UP

1шт.

35

6693-12-5550

BOLT

SN: 17257-UP

1шт.

36

6151-11-5670

WASHER

SN: 17257-UP

2шт.

37

01582-01411

NUT

SN: 17257-UP

2шт.

|1

6138-12-5511

MUFFLER,CERAMIC

SN: 17257-UP

1шт.

1

6138-12-5521

BODY ASS'Y

SN: 17257-UP

1шт.

2

6138-12-5530

BODY ASS'Y

SN: 17257-UP

1шт.

3

6138-12-5550

FILTER,CERAMIC

SN: 17257-UP

1шт.

4

6138-12-5561

GASKET

SN: 17257-UP

2шт.

5

01435-01030

BOLT

SN: 17257-UP

18шт.

6

01584-01008

NUT

SN: 17257-UP

18шт.

7

07042-20108

PLUG,(FOR SHIPPING)

SN: 17257-UP

1шт.

8

6151-11-5750

GASKET (K1)

SN: 17257-UP

1шт.

9

01435-01260

BOLT

SN: 17257-UP

4шт.

10

01584-01210

NUT

SN: 17257-UP

4шт.

11

6678-51-9520

SPACER

SN: 17257-UP

4шт.

12

6138-12-5680

U-BOLT

SN: 17257-UP

1шт.

13

01581-01008

NUT

SN: 17257-UP

4шт.

14

6221-11-5660

PIPE,EXHAUST

SN: 17257-UP

1шт.

15

01020-01225

BOLT

SN: 17257-UP

4шт.

16

01643-31232

WASHER

SN: 17257-UP

4шт.

17

6221-11-5730

BRACKET

SN: 17257-UP

1шт.

18

01435-01025

BOLT

SN: 17257-UP

2шт.

19

01435-01035

BOLT

SN: 17257-UP

2шт.

20

6221-11-5720

BRACKET

SN: 17257-UP

1шт.

21

01435-01035

BOLT

SN: 17257-UP

3шт.

22

01643-31032

WASHER

SN: 17257-UP

3шт.

23

6221-11-5410

ELBOW,EXHAUST

SN: 17257-UP

1шт.

24

01435-01035

BOLT

SN: 17257-UP

4шт.

25

6132-21-4630

SPACER

SN: 17257-UP

4шт.

26

07042-20108

PLUG

SN: 17257-UP

1шт.

27

6137-11-5291

RING,SEAL

SN: 17257-UP

1шт.

28

6221-11-5490

TUBE,DRAIN

SN: 17257-UP

1шт.

29

01435-00865

BOLT

SN: 17257-UP

1шт.

30

01584-00806

NUT

SN: 17257-UP

1шт.

31

07260-20980

HOSE

SN: 17257-UP

1шт.

32

07285-00155

CLIP

SN: 17257-UP

1шт.

33

6151-11-4950

PIPE,EXHAUST

SN: 17257-UP

1шт.

34

6138-11-5620

CLAMP

SN: 17257-UP

1шт.

35

6693-12-5550

BOLT

SN: 17257-UP

1шт.

36

6151-11-5670

WASHER

SN: 17257-UP

2шт.

37

01582-01411

NUT

SN: 17257-UP

2шт.

Выбрано товаров: 0