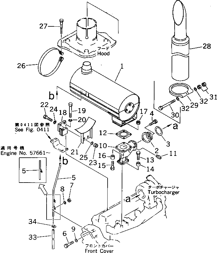
Запчасти Komatsu S6D110-1G ГЛУШИТЕЛЬ И КРЕПЛЕНИЕ (ТУННЕЛЬН. СПЕЦ-Я.) ГОЛОВКА ЦИЛИНДРОВ

Схема запчастей Komatsu S6D110-1G - ГЛУШИТЕЛЬ И КРЕПЛЕНИЕ (ТУННЕЛЬН. СПЕЦ-Я.) ГОЛОВКА ЦИЛИНДРОВ
FIT
1:1
100%

Артикул

Название

Примечание

Количество

1

6138-11-5480

MUFFLER

SN: 56692-UP

1шт.

|1

6206-11-5880

PELLET

SN: 56692-UP

1шт.

|1

6136-11-5420

PELLET

SN: 56692-UP

1шт.

|1

6206-11-5870

GASKET

SN: 56692-UP

1шт.

|1

01020-00816

BOLT

SN: 56692-UP

4шт.

|1

01641-20812

WASHER

SN: 56692-UP

4шт.

2

6138-11-5230

JOINT

SN: 56692-UP

1шт.

3

6136-12-5280

RING,SEAL

SN: 56692-UP

1шт.

4

6131-11-5360

BOLT

SN: 56692-UP

2шт.

5

6137-11-5782

PIPE,DRAIN

SN: 57661-UP

1шт.

|5

0

PIPE,DRAIN

SN: 56692-57660

1шт.

6

01435-00865

BOLT,(SEE FIG.0206)

SN: 60888-UP

1шт.

|6

0

BOLT,(SEE FIG.0206)

SN: 57661-60887

1шт.

|6

01010-30865

BOLT,(SEE FIG.0206)

SN: 56692-57660

2шт.

7

01584-00806

NUT,(SEE FIG.0206)

SN: 60888-UP

1шт.

|7

0

NUT,(SEE FIG.0206)

SN: 57661-60887

1шт.

|7

01580-00806

NUT,(SEE FIG.0206)

SN: 56692-57660

2шт.

8

01602-00825

WASHER,SPRING (SEE FIG.0206)

SN: 57661-60887

1шт.

|8

01602-00825

WASHER,SPRING (SEE FIG.0206)

SN: 56692-57660

2шт.

9

01640-20816

WASHER,(SEE FIG.0206)

SN: 57661-60887

1шт.

|9

01640-20816

WASHER,(SEE FIG.0206)

SN: 56692-57660

2шт.

10

6138-11-5370

ELBOW,EXHAUST

SN: 56692-UP

1шт.

11

07042-20108

PLUG

SN: 56692-UP

1шт.

12

6138-11-5810

GASKET (K1)

SN: 56692-UP

1шт.

13

01435-01045

BOLT

SN: 60888-UP

4шт.

|13

0

BOLT

SN: 56692-60887

4шт.

14

6631-11-5630

SPACER

SN: 56692-UP

4шт.

15

01435-01260

BOLT

SN: 60888-UP

4шт.

|15

0

BOLT

SN: 56692-60887

4шт.

16

6678-51-9520

SPACER

SN: 56692-UP

4шт.

17

01584-01210

NUT

SN: 60888-UP

4шт.

|17

0

NUT

SN: 56692-60887

4шт.

18

6137-11-5772

BRACKET

SN: 56692-UP

1шт.

19

01435-01090

BOLT

SN: 60888-UP

2шт.

|19

0

BOLT

SN: 56692-60887

2шт.

20

01602-01030

WASHER,SPRING

SN: 56692-60887

2шт.

21

6137-11-5651

BRACKET

SN: 56692-UP

1шт.

22

01435-01030

BOLT

SN: 60888-UP

2шт.

|22

0

BOLT

SN: 56692-60887

2шт.

23

01584-01008

NUT

SN: 60888-UP

2шт.

|23

0

NUT

SN: 56692-60887

2шт.

24

01640-21016

WASHER

SN: 56692-60887

2шт.

25

01643-31032

WASHER

SN: 60888-UP

2шт.

|25

0

WASHER

SN: 56692-60887

2шт.

26

6137-11-5690

BAND ASS'Y

SN: 56692-UP

1шт.

|26

6110-11-4520

PIN

SN: 56692-UP

1шт.

|26

6110-11-4530

PIN¤ WITH THREAD

SN: 56692-UP

1шт.

27

6643-11-4641

BOLT

SN: 56692-UP

1шт.

28

6151-11-5590

PIPE,EXHAUST (WITH GLASSWOOL)

SN: 56692-UP

1шт.

29

6138-11-5620

CLAMP

SN: 56692-UP

1шт.

30

6693-12-5550

BOLT

SN: 56692-UP

1шт.

31

01582-01411

NUT

SN: 56692-UP

2шт.

32

6151-11-5670

WASHER

SN: 56692-UP

2шт.

33

07260-20980

HOSE

SN: 56692-UP

1шт.

34

07285-00155

CLIP

SN: 60201-UP

1шт.

|34

0

CLAMP

SN: 56692-60200

1шт.

1

6138-11-5480

MUFFLER

SN: 56692-UP

1шт.

|1

6206-11-5880

PELLET

SN: 56692-UP

1шт.

|1

6136-11-5420

PELLET

SN: 56692-UP

1шт.

|1

6206-11-5870

GASKET

SN: 56692-UP

1шт.

|1

01020-00816

BOLT

SN: 56692-UP

4шт.

|1

01641-20812

WASHER

SN: 56692-UP

4шт.

2

6138-11-5230

JOINT

SN: 56692-UP

1шт.

3

6136-12-5280

RING,SEAL

SN: 56692-UP

1шт.

4

6131-11-5360

BOLT

SN: 56692-UP

2шт.

5

6137-11-5782

PIPE,DRAIN

SN: 57661-UP

1шт.

|5

0

PIPE,DRAIN

SN: 56692-57660

1шт.

6

01435-00865

BOLT,(SEE FIG.0206)

SN: 60888-UP

1шт.

|6

0

BOLT,(SEE FIG.0206)

SN: 57661-60887

1шт.

|6

01010-30865

BOLT,(SEE FIG.0206)

SN: 56692-57660

2шт.

7

01584-00806

NUT,(SEE FIG.0206)

SN: 60888-UP

1шт.

|7

0

NUT,(SEE FIG.0206)

SN: 57661-60887

1шт.

|7

01580-00806

NUT,(SEE FIG.0206)

SN: 56692-57660

2шт.

8

01602-00825

WASHER,SPRING (SEE FIG.0206)

SN: 57661-60887

1шт.

|8

01602-00825

WASHER,SPRING (SEE FIG.0206)

SN: 56692-57660

2шт.

9

01640-20816

WASHER,(SEE FIG.0206)

SN: 57661-60887

1шт.

|9

01640-20816

WASHER,(SEE FIG.0206)

SN: 56692-57660

2шт.

10

6138-11-5370

ELBOW,EXHAUST

SN: 56692-UP

1шт.

11

07042-20108

PLUG

SN: 56692-UP

1шт.

12

6138-11-5810

GASKET (K1)

SN: 56692-UP

1шт.

13

01435-01045

BOLT

SN: 60888-UP

4шт.

|13

0

BOLT

SN: 56692-60887

4шт.

14

6631-11-5630

SPACER

SN: 56692-UP

4шт.

15

01435-01260

BOLT

SN: 60888-UP

4шт.

|15

0

BOLT

SN: 56692-60887

4шт.

16

6678-51-9520

SPACER

SN: 56692-UP

4шт.

17

01584-01210

NUT

SN: 60888-UP

4шт.

|17

0

NUT

SN: 56692-60887

4шт.

18

6137-11-5772

BRACKET

SN: 56692-UP

1шт.

19

01435-01090

BOLT

SN: 60888-UP

2шт.

|19

0

BOLT

SN: 56692-60887

2шт.

20

01602-01030

WASHER,SPRING

SN: 56692-60887

2шт.

21

6137-11-5651

BRACKET

SN: 56692-UP

1шт.

22

01435-01030

BOLT

SN: 60888-UP

2шт.

|22

0

BOLT

SN: 56692-60887

2шт.

23

01584-01008

NUT

SN: 60888-UP

2шт.

|23

0

NUT

SN: 56692-60887

2шт.

24

01640-21016

WASHER

SN: 56692-60887

2шт.

25

01643-31032

WASHER

SN: 60888-UP

2шт.

|25

0

WASHER

SN: 56692-60887

2шт.

26

6137-11-5690

BAND ASS'Y

SN: 56692-UP

1шт.

|26

6110-11-4520

PIN

SN: 56692-UP

1шт.

|26

6110-11-4530

PIN¤ WITH THREAD

SN: 56692-UP

1шт.

27

6643-11-4641

BOLT

SN: 56692-UP

1шт.

28

6151-11-5590

PIPE,EXHAUST (WITH GLASSWOOL)

SN: 56692-UP

1шт.

29

6138-11-5620

CLAMP

SN: 56692-UP

1шт.

30

6693-12-5550

BOLT

SN: 56692-UP

1шт.

31

01582-01411

NUT

SN: 56692-UP

2шт.

32

6151-11-5670

WASHER

SN: 56692-UP

2шт.

33

07260-20980

HOSE

SN: 56692-UP

1шт.

34

07285-00155

CLIP

SN: 60201-UP

1шт.

|34

0

CLAMP

SN: 56692-60200

1шт.

Выбрано товаров: 0