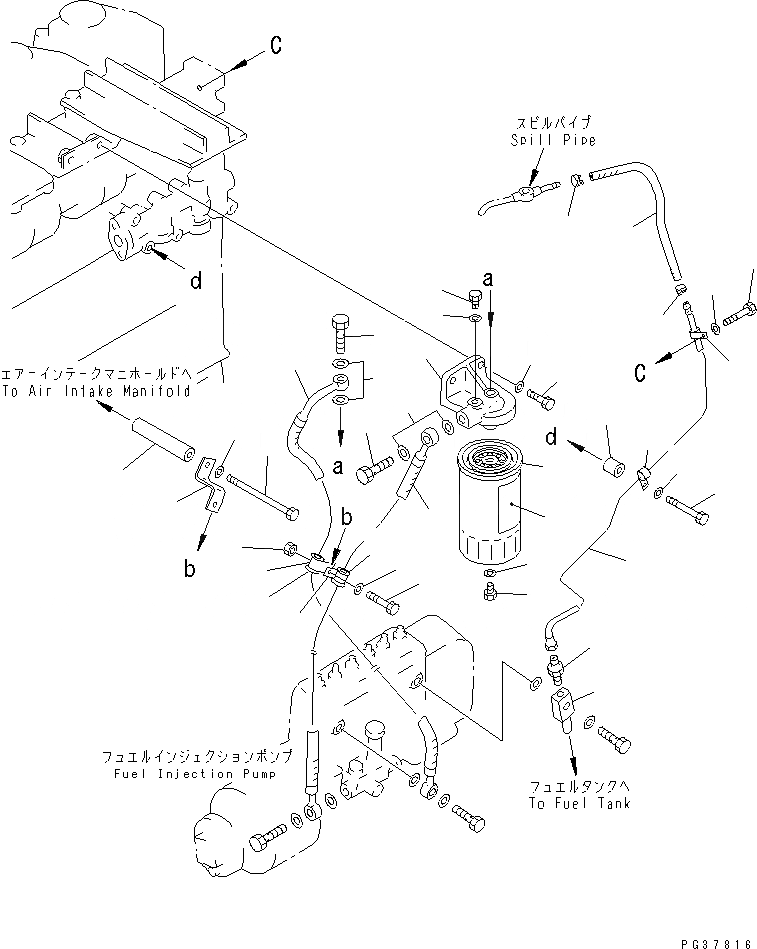
Запчасти Komatsu S6D125-1AD ТОПЛИВН. ФИЛЬТР. И ТРУБЫ ТОПЛИВН. СИСТЕМА

Схема запчастей Komatsu S6D125-1AD - ТОПЛИВН. ФИЛЬТР. И ТРУБЫ ТОПЛИВН. СИСТЕМА
1
2
3
4
5
6
7
8
9
10
11
11
12
12
13
13
14
14
15
16
17
18
19
20
21
22
23
24
25
26
26
27
27
28
29
30
31
32
33
FIT
1:1
100%

Артикул

Название

Примечание

Количество

|1

6114-71-6200

FUEL FILTER ASS'Y

SN: 41578-UP

1шт.

1

6114-71-6210

HEAD

SN: 41578-UP

1шт.

2

6110-73-6231

PLUG

SN: 41578-UP

1шт.

3

07005-00812

GASKET

SN: 41578-UP

1шт.

4

600-311-8291

CARTRIDGE

SN: 41578-UP

1шт.

5

6110-73-6231

PLUG

SN: 41578-UP

1шт.

6

07005-00812

GASKET

SN: 41578-UP

1шт.

7

01010-51030

BOLT

SN: 41578-UP

2шт.

8

01640-21016

WASHER

SN: 41578-UP

2шт.

9

6150-71-6310

HOSE

SN: 41578-UP

1шт.

10

07271-01460

HOSE

SN: 41578-UP

1шт.

11

07206-31014

BOLT,JOINT

SN: 41578-UP

2шт.

12

07005-01412

GASKET (K2)

SN: 41578-UP

4шт.

13

04434-52511

CLIP

SN: 41578-UP

2шт.

14

07095-20318

CUSHION

SN: 41578-UP

2шт.

15

6162-73-6170

STAY

SN: 41578-UP

1шт.

16

01011-51045

BOLT,(SEE FIG.0131)

SN: 41578-UP

1шт.

17

01640-21016

WASHER,(SEE FIG.0131)

SN: 41578-UP

1шт.

18

6206-81-9870

SPACER,(SEE FIG.0131)

SN: 41578-UP

1шт.

19

01010-51025

BOLT

SN: 41578-UP

1шт.

20

01640-21016

WASHER

SN: 41578-UP

1шт.

21

01580-11008

NUT

SN: 41578-UP

1шт.

22

6151-73-8520

JOINT

SN: 41578-UP

1шт.

23

07214-50510

CONNECTOR

SN: 41578-UP

1шт.

24

6151-73-8610

TUBE

SN: 41578-UP

1шт.

25

07270-20428

TUBE

SN: 41578-UP

1шт.

26

07285-00085

CLIP

SN: 41578-UP

2шт.

27

04434-50510

CLIP

SN: 41578-UP

2шт.

28

01010-51020

BOLT

SN: 41578-UP

1шт.

29

01640-21016

WASHER

SN: 41578-UP

1шт.

30

01010-51070

BOLT,(SEE FIG.0131)

SN: 41578-UP

1шт.

31

01640-21016

WASHER,(SEE FIG.0131)

SN: 41578-UP

1шт.

32

144-874-7470

BOSS,(SEE FIG.0131)

SN: 41578-UP

1шт.

33

600-311-8532

PLATE¤ CAUTION,(ITALIAN-ENGLISH)

SN: 41578-UP

1шт.

|33

600-311-8542

PLATE¤ CAUTION,(INDONESIAN-ENGLISH)

SN: 41578-UP

1шт.

|33

600-311-8552

PLATE¤ CAUTION,(GREEK-ENGLISH)

SN: 41578-UP

1шт.

|33

600-311-8562

PLATE¤ CAUTION,(CHINESE)

SN: 41578-UP

1шт.

|33

600-311-8612

PLATE¤ CAUTION,(ENGLISH)

SN: 41578-UP

1шт.

|33

600-311-8622

PLATE¤ CAUTION,(SPANISH-ENGLISH)

SN: 41578-UP

1шт.

|33

600-311-8632

PLATE¤ CAUTION,(GERMAN-ENGLISH)

SN: 41578-UP

1шт.

|33

600-311-8643

PLATE¤ CAUTION,(FRENCH-ENGLISH)

SN: 41578-UP

1шт.

|33

600-311-8652

PLATE¤ CAUTION,(ARABIC-ENGLISH)

SN: 41578-UP

1шт.

|33

600-311-8850

PLATE¤ CAUTION,(PERSIAN-ENGLISH)

SN: 41578-UP

1шт.

Выбрано товаров: 43