Запчасти Komatsu S6D125-1AL ВПУСК ВОЗДУХА ДВИГАТЕЛЬ

Схема запчастей Komatsu S6D125-1AL - ВПУСК ВОЗДУХА ДВИГАТЕЛЬ
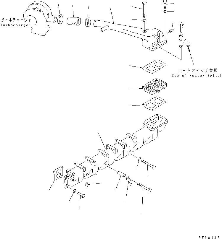
1
2
3
4
5
6
6
7
8
9
10
11
12
13
13
14
15
16
16
17
18
18
FIT
1:1
100%

Артикул

Название

Примечание

Количество

|1

6150-11-4910

INTAKE MANIFOLD A.

SN: 51975-UP

1шт.

1

0

MANIFOLD,AIR INTAKE

SN: 51975-UP

1шт.

2

07042-00415

PLUG

SN: 51975-UP

1шт.

3

6150-11-4810

GASKET (K1)

SN: 51975-UP

6шт.

4

01010-51030

BOLT

SN: 51975-UP

11шт.

5

01011-51010

BOLT

SN: 51975-UP

8шт.

6

01640-21016

WASHER

SN: 51975-UP

18шт.

7

01011-51005

BOLT

SN: 51975-UP

1шт.

8

6136-11-5120

SPACER

SN: 51975-UP

1шт.

9

6162-73-6170

STAY

SN: 51975-UP

1шт.

10

6151-11-4850

CONNECTOR,AIR

SN: 51975-UP

1шт.

11

07042-00108

PLUG

SN: 51975-UP

1шт.

12

600-815-3810

HEATER,RIBBON

SN: 51975-UP

1шт.

13

6150-11-4820

GASKET (K1)

SN: 51975-UP

2шт.

14

01010-51055

BOLT

SN: 51975-UP

4шт.

15

01011-51075

BOLT

SN: 51975-UP

1шт.

16

01640-21016

WASHER

SN: 51975-UP

5шт.

17

6207-11-4370

HOSE

SN: 51975-UP

1шт.

18

07281-00909

CLAMP

SN: 51975-UP

2шт.

Выбрано товаров: 19