Запчасти Komatsu S6D125-1B8 МАСЛ. ФИЛЬТР И КРЕПЛЕНИЕ СИСТЕМА СМАЗКИ СИСТЕМА

Схема запчастей Komatsu S6D125-1B8 - МАСЛ. ФИЛЬТР И КРЕПЛЕНИЕ СИСТЕМА СМАЗКИ СИСТЕМА
FIT
1:1
100%

Артикул

Название

Примечание

Количество

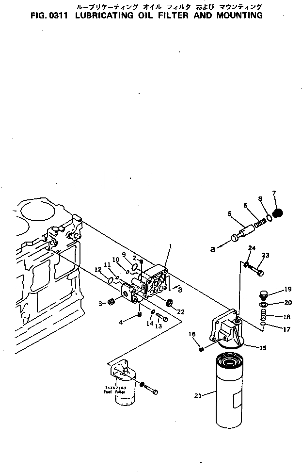
|1

6151-51-5503

ADAPTER ASS'Y

SN: 24540-UP

1шт.

|1

0

ADAPTER ASS'Y

SN: 22230-24539

1шт.

1

0

ADAPTER

SN: 22230-UP

1шт.

2

07043-00108

PLUG

SN: 22230-UP

2шт.

3

07043-00617

PLUG

SN: 22230-UP

1шт.

4

07043-00312

PLUG

SN: 22230-UP

1шт.

5

6150-51-5552

VALVE

SN: 24540-UP

1шт.

|5

0

VALVE

SN: 22230-24539

1шт.

6

6151-51-5560

SPRING

SN: 22230-UP

1шт.

7

6150-51-5570

PLUG

SN: 22230-UP

1шт.

8

07000-63028

O-RING

SN: 22231-UP

1шт.

|8

07000-63028

O-RING (K2)

SN: 22230-22230

1шт.

9

07000-63035

O-RING (K2)

SN: 22230-UP

1шт.

10

07000-62020

O-RING (K2)

SN: 22230-UP

1шт.

11

07000-62015

O-RING (K2)

SN: 22230-UP

1шт.

12

07000-63028

O-RING (K2)

SN: 22230-UP

1шт.

13

01010-51060

BOLT

SN: 22230-UP

1шт.

14

01640-21016

WASHER

SN: 22230-UP

1шт.

|15

6151-51-5100

OIL FILTER ASS'Y

SN: 22230-UP

1шт.

15

6151-51-5110

BRACKET

SN: 22230-UP

1шт.

16

07043-00312

PLUG

SN: 22230-UP

1шт.

17

6162-53-5450

PACKING

SN: 22230-UP

1шт.

18

600-211-1870

SPRING

SN: 22230-UP

1шт.

19

6162-53-5420

CAP

SN: 22230-UP

1шт.

20

6162-53-5430

PACKING

SN: 22231-UP

1шт.

|20

6162-53-5430

PACKING (K2)

SN: 22230-22230

1шт.

21

600-211-1230

CARTRIDGE

SN: 22230-UP

1шт.

22

6124-61-2181

GROMMET (K2)

SN: 22230-UP

3шт.

23

01010-51075

BOLT

SN: 22230-UP

4шт.

24

01640-21016

WASHER

SN: 22230-UP

4шт.

Выбрано товаров: 0