Запчасти Komatsu S6D125-1B8 ТОПЛИВН. ФИЛЬТР. И ТРУБЫ ТОПЛИВН. СИСТЕМА

Схема запчастей Komatsu S6D125-1B8 - ТОПЛИВН. ФИЛЬТР. И ТРУБЫ ТОПЛИВН. СИСТЕМА
FIT
1:1
100%

Артикул

Название

Примечание

Количество

|1

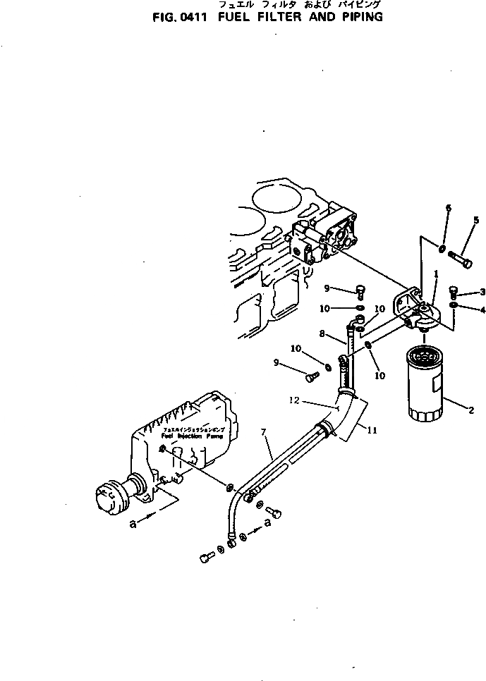
6114-71-6200

FUEL FILTER ASS'Y

SN: 22230-UP

1шт.

1

6114-71-6210

HEAD

SN: 22230-UP

1шт.

2

600-311-8291

CARTRIDGE

SN: 22230-UP

1шт.

|2

6110-73-6231

PLUG,(NOT SHOWN)

SN: 22230-UP

1шт.

|2

07005-00812

GASKET,(NOT SHOWN)

SN: 22230-UP

1шт.

3

6110-73-6231

PLUG

SN: 22230-UP

1шт.

4

07005-00812

GASKET

SN: 22230-UP

1шт.

5

01010-51090

BOLT

SN: 22230-UP

2шт.

6

01640-21016

WASHER

SN: 22230-UP

2шт.

7

07271-01460

HOSE

SN: 22230-UP

1шт.

8

6141-75-5610

HOSE

SN: 22230-UP

1шт.

9

07206-31014

BOLT,JOINT

SN: 22230-UP

2шт.

10

07005-01412

GASKET (K2)

SN: 22230-UP

4шт.

11

08034-00823

BAND

SN: 50994-UP

2шт.

|11

0

BAND

SN: 22230-50993

2шт.

12

205-62-72140

COVER

SN: 50994-UP

1шт.

Выбрано товаров: 16