Запчасти Komatsu S6D125-1B8 ВЕНТИЛЯТОР ОХЛАЖДЕНИЯ И КРЕПЛЕНИЕ СИСТЕМА ОХЛАЖДЕНИЯ

Схема запчастей Komatsu S6D125-1B8 - ВЕНТИЛЯТОР ОХЛАЖДЕНИЯ И КРЕПЛЕНИЕ СИСТЕМА ОХЛАЖДЕНИЯ
FIT
1:1
100%

Артикул

Название

Примечание

Количество

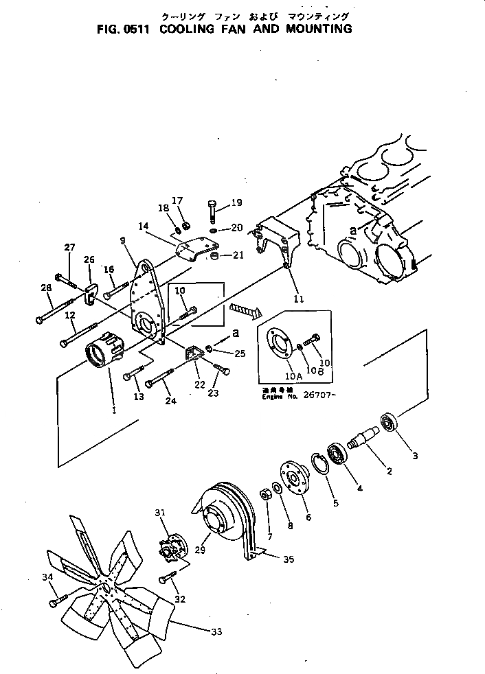
|1

6151-61-3201

CASE ASS'Y

SN: 22230-UP

1шт.

1

6151-61-3152

CASE

SN: 22230-UP

1шт.

2

6151-61-3170

SHAFT

SN: 22230-UP

1шт.

3

06037-06206

BEARING,BALL

SN: 22230-UP

1шт.

4

06037-06307

BEARING,BALL

SN: 22230-UP

1шт.

5

04065-08025

RING,SNAP

SN: 22230-UP

1шт.

6

6151-61-3120

HUB

SN: 22230-UP

1шт.

7

01583-02414

NUT

SN: 22230-UP

1шт.

8

01643-32460

WASHER

SN: 22230-UP

1шт.

9

6151-61-3480

PLATE

SN: 22230-UP

1шт.

10

01010-51035

BOLT

SN: 22230-UP

4шт.

10A

6151-61-3970

COVER

SN: 26707-UP

1шт.

10B

01641-21016

WASHER

SN: 26707-UP

4шт.

11

6150-61-3550

SPACER

SN: 22230-UP

1шт.

12

01011-51015

BOLT

SN: 22230-UP

4шт.

13

01010-51035

BOLT

SN: 22230-UP

2шт.

14

6151-61-3560

BRACKET

SN: 22230-UP

1шт.

16

01010-51045

BOLT

SN: 22230-UP

2шт.

17

01580-11008

NUT

SN: 22230-UP

2шт.

18

01643-31032

WASHER

SN: 22230-UP

2шт.

19

01010-51095

BOLT,(SEE FIG.0111)

SN: 22230-UP

2шт.

20

01640-21016

WASHER,(SEE FIG.0111)

SN: 22230-UP

2шт.

21

6131-12-5920

SPACER

SN: 22230-UP

2шт.

22

6150-61-3690

BRACKET

SN: 22230-UP

1шт.

23

01010-51025

BOLT

SN: 22230-UP

2шт.

24

01010-51090

BOLT

SN: 22230-UP

1шт.

25

6685-11-5230

WASHER

SN: 22230-UP

1шт.

26

6150-61-3680

BRACKET

SN: 22230-UP

1шт.

27

01010-51040

BOLT

SN: 22230-UP

2шт.

28

01011-51015

BOLT

SN: 22230-UP

1шт.

29

6151-61-3310

PULLEY¤NON HARDENING

SN: 22230-UP

1шт.

31

6151-61-3720

SPACER

SN: 22230-UP

1шт.

32

01010-51040

BOLT

SN: 22230-UP

6шт.

33

600-635-0650

FAN

SN: 22230-UP

1шт.

34

01010-51030

BOLT

SN: 22230-UP

6шт.

35

04121-22258

V-BELT SET

SN: 50994-UP

1шт.

|35

0

V-BELT SET

SN: 22230-50993

1шт.

Выбрано товаров: 0