Качественные детали и логистика
Оригинальные и аналоговые запчасти с доставкой по России, Казахстану и Беларуси
©2022 PartSell ООО "Система" ИНН 2463123282 ОГРН 1212400004838
Центральный офис: г. Красноярск, Академика Киренского, д.87, пом.4
Телефон: 8 (800) 777-65-74 Email: zakaz@partsell.ru
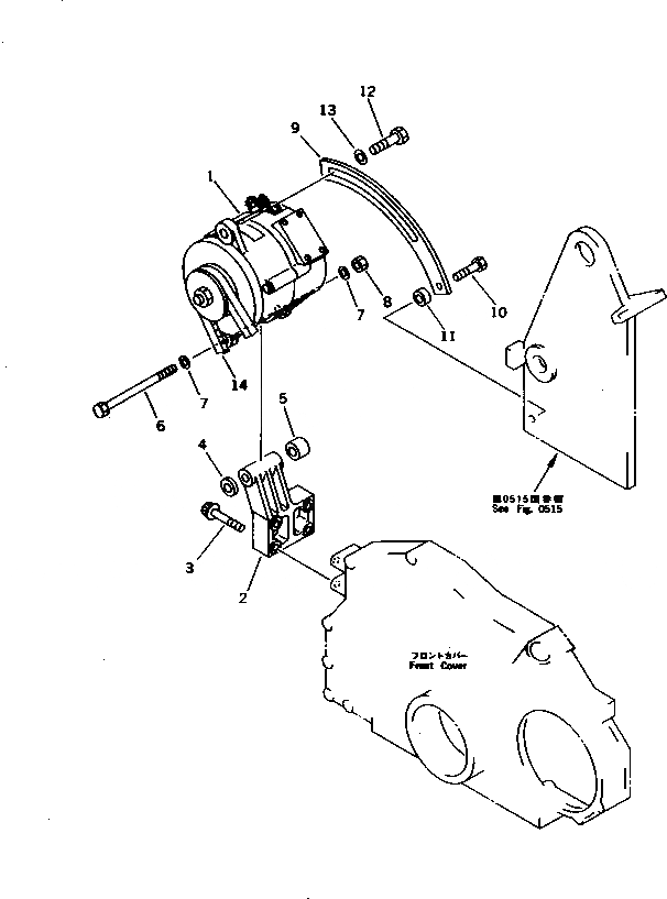
СТАРТЕР И КРЕПЛЕНИЕ (7.KW)
№
Артикул
Название
Примечание
Количество
1
600-813-3610
STARTING MOTOR ASS'Y,(7.5KW) (SEE FIG.0661)
SN: 22313-UP
1шт.
2
6610-81-2210
GASKET (K2)
3
01010-51640
BOLT
3шт.
4
600-050-2620
CLIP
Выбрано товаров: 0