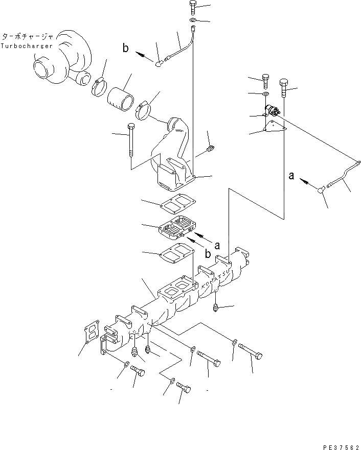
Запчасти Komatsu S6D125-1E ТРУБОПРОВОД ВПУСКА ВОЗДУХА И СОЕДИН-Е ГОЛОВКА ЦИЛИНДРОВ

Схема запчастей Komatsu S6D125-1E - ТРУБОПРОВОД ВПУСКА ВОЗДУХА И СОЕДИН-Е ГОЛОВКА ЦИЛИНДРОВ
1
2
3
3
4
5
6
6
7
8
8
8
8
9
10
11
12
12
13
14
15
16
17
17
18
19
20
21
22
23
24
25
25
FIT
1:1
100%

Артикул

Название

Примечание

Количество

|1

6151-11-4910

INTAKE MANIFOLD A.

SN: 10001-UP

1шт.

1

0

MANIFOLD,AIR INTAKE

SN: 10001-UP

1шт.

2

07042-00415

PLUG

SN: 10001-UP

1шт.

3

07042-00108

PLUG

SN: 10001-UP

2шт.

4

6150-11-4810

GASKET (K1)

SN: 10001-UP

6шт.

5

01011-51010

BOLT

SN: 10001-UP

8шт.

6

01010-51030

BOLT

SN: 10001-UP

13шт.

7

01011-51020

BOLT

SN: 10001-UP

3шт.

8

01640-21016

WASHER

SN: 10001-UP

24шт.

9

6151-11-4311

CONNECTOR,AIR

SN: 10001-UP

1шт.

10

07042-00108

PLUG

SN: 21445-UP

1шт.

|10

07042-00108

PLUG

SN: 10001-21444

2шт.

11

600-815-3810

HEATER,RIBBON

SN: 10001-UP

1шт.

12

6150-11-4820

GASKET (K1)

SN: 10001-UP

2шт.

13

01010-51055

BOLT

SN: 10001-UP

2шт.

14

01011-51065

BOLT

SN: 10001-UP

4шт.

15

01640-21016

WASHER

SN: 10001-UP

2шт.

16

6151-11-4410

HOSE

SN: 10001-UP

1шт.

17

07281-01029

CLAMP

SN: .-UP

2шт.

|17

0

CLAMP

SN: 10001-.

2шт.

18

6151-81-4510

BRACKET

SN: 10001-UP

1шт.

19

01010-51025

BOLT

SN: 10001-UP

2шт.

20

600-815-2170

SWITCH

SN: 10001-UP

1шт.

21

01010-50610

BOLT

SN: 10001-UP

2шт.

22

01640-20610

WASHER

SN: 10001-UP

2шт.

23

6678-81-4340

WIRE¤ 170MM

SN: 10001-UP

1шт.

24

6151-81-4410

WIRE¤ 265MM

SN: 10001-UP

1шт.

25

08038-10519

CAP

SN: 10001-UP

3шт.

Выбрано товаров: 28