Запчасти Komatsu S6D125-1JJ ТОПЛИВН. ФИЛЬТР. И ТРУБЫ ( ФИЛЬТР. ТИП) ТОПЛИВН. СИСТЕМА

Схема запчастей Komatsu S6D125-1JJ - ТОПЛИВН. ФИЛЬТР. И ТРУБЫ ( ФИЛЬТР. ТИП) ТОПЛИВН. СИСТЕМА
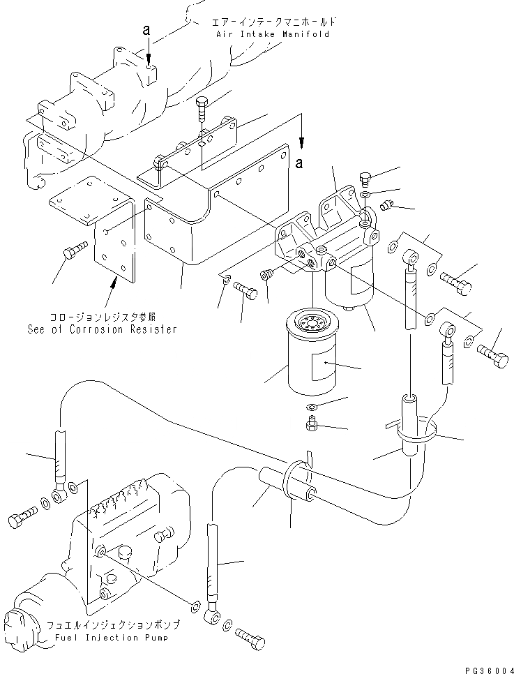
1
2
3
4
5
6
6
7
8
9
10
11
11
12
13
14
15
16
16
17
17
18
18
19
19
20
1
2
3
4
5
6
6
7
8
9
10
11
11
12
13
14
15
16
16
17
17
18
18
19
19
20
FIT
1:1
100%

Артикул

Название

Примечание

Количество

|1

6127-71-6204

FUEL FILTER ASS'Y

SN: 26688-UP

1шт.

|1

0

FUEL FILTER ASS'Y

SN: (26688-96905)

1шт.

1

6127-71-6212

BRACKET

SN: 26688-UP

1шт.

2

07043-00312

PLUG

SN: 26688-UP

2шт.

3

07042-00108

PLUG

SN: 26688-UP

1шт.

4

6110-73-6231

PLUG

SN: 26688-UP

2шт.

5

07005-00812

GASKET

SN: 26688-UP

2шт.

6

600-311-8292

CARTRIDGE

SN: 26688-UP

2шт.

|6

0

CARTRIDGE

SN: (26688-96905)

2шт.

7

6110-73-6231

PLUG

SN: 26688-UP

1шт.

8

07005-00812

GASKET

SN: 26688-UP

1шт.

9

6151-71-9261

BRACKET

SN: 26688-UP

1шт.

10

6151-71-9271

BRACKET

SN: 26688-UP

1шт.

11

01010-51030

BOLT

SN: 26688-UP

6шт.

12

01010-51035

BOLT

SN: 26688-UP

4шт.

13

01640-21016

WASHER

SN: 26688-UP

4шт.

14

07271-11470

HOSE

SN: 26688-UP

1шт.

15

07271-01465

HOSE

SN: 26688-UP

1шт.

16

07206-31014

BOLT,JOINT

SN: 26688-UP

2шт.

17

07005-01412

GASKET (K2)

SN: 26688-UP

4шт.

18

205-62-72140

COVER

SN: 26688-UP

2шт.

19

08034-00519

BAND

SN: 26688-UP

2шт.

20

600-311-8542

PLATE¤ CAUTION,(INDONESIAN)

SN: 26688-UP

1шт.

|20

600-311-8562

PLATE¤ CAUTION,(CHINESE)

SN: 26688-UP

1шт.

|20

600-311-8612

PLATE¤ CAUTION,(ENGLISH)

SN: 26688-UP

1шт.

|20

600-311-8632

PLATE¤ CAUTION,(GERMAN)

SN: 26688-UP

1шт.

|20

600-311-8643

PLATE¤ CAUTION,(FRENCH)

SN: 26688-UP

1шт.

|20

600-311-8652

PLATE¤ CAUTION,(ARABIC)

SN: 26688-UP

1шт.

|1

6127-71-6204

FUEL FILTER ASS'Y

SN: 26688-UP

1шт.

|1

0

FUEL FILTER ASS'Y

SN: (26688-96905)

1шт.

1

6127-71-6212

BRACKET

SN: 26688-UP

1шт.

2

07043-00312

PLUG

SN: 26688-UP

2шт.

3

07042-00108

PLUG

SN: 26688-UP

1шт.

4

6110-73-6231

PLUG

SN: 26688-UP

2шт.

5

07005-00812

GASKET

SN: 26688-UP

2шт.

6

600-311-8292

CARTRIDGE

SN: 26688-UP

2шт.

|6

0

CARTRIDGE

SN: (26688-96905)

2шт.

7

6110-73-6231

PLUG

SN: 26688-UP

1шт.

8

07005-00812

GASKET

SN: 26688-UP

1шт.

9

6151-71-9261

BRACKET

SN: 26688-UP

1шт.

10

6151-71-9271

BRACKET

SN: 26688-UP

1шт.

11

01010-51030

BOLT

SN: 26688-UP

6шт.

12

01010-51035

BOLT

SN: 26688-UP

4шт.

13

01640-21016

WASHER

SN: 26688-UP

4шт.

14

07271-11470

HOSE

SN: 26688-UP

1шт.

15

07271-01465

HOSE

SN: 26688-UP

1шт.

16

07206-31014

BOLT,JOINT

SN: 26688-UP

2шт.

17

07005-01412

GASKET (K2)

SN: 26688-UP

4шт.

18

205-62-72140

COVER

SN: 26688-UP

2шт.

19

08034-00519

BAND

SN: 26688-UP

2шт.

20

600-311-8542

PLATE¤ CAUTION,(INDONESIAN)

SN: 26688-UP

1шт.

|20

600-311-8562

PLATE¤ CAUTION,(CHINESE)

SN: 26688-UP

1шт.

|20

600-311-8612

PLATE¤ CAUTION,(ENGLISH)

SN: 26688-UP

1шт.

|20

600-311-8632

PLATE¤ CAUTION,(GERMAN)

SN: 26688-UP

1шт.

|20

600-311-8643

PLATE¤ CAUTION,(FRENCH)

SN: 26688-UP

1шт.

|20

600-311-8652

PLATE¤ CAUTION,(ARABIC)

SN: 26688-UP

1шт.

Выбрано товаров: 56