Запчасти Komatsu S6D125-1K ТОПЛИВН. ФИЛЬТР. И ТРУБЫ ТОПЛИВН. СИСТЕМА

Схема запчастей Komatsu S6D125-1K - ТОПЛИВН. ФИЛЬТР. И ТРУБЫ ТОПЛИВН. СИСТЕМА
FIT
1:1
100%

Артикул

Название

Примечание

Количество

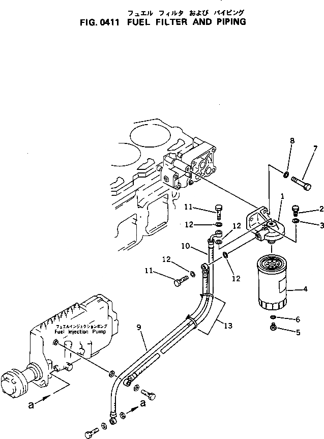
1

6114-71-6210

HEAD

SN: 10001-UP

1шт.

2

6110-73-6231

PLUG

SN: 10001-UP

1шт.

3

07005-00812

GASKET (K2)

SN: 10001-UP

1шт.

4

600-311-8291

CARTRIDGE

SN: 10001-UP

1шт.

5

6110-73-6231

PLUG

SN: 10001-UP

1шт.

6

07005-00812

GASKET

SN: 10001-UP

1шт.

7

01010-51090

BOLT

SN: 10001-UP

2шт.

8

01640-21016

WASHER

SN: 10001-UP

2шт.

9

07271-01460

HOSE

SN: 10001-UP

1шт.

10

6141-75-5610

HOSE

SN: 10001-UP

1шт.

11

07206-31014

BOLT,JOINT

SN: 10001-UP

2шт.

12

07005-01412

GASKET (K2)

SN: 10001-UP

4шт.

13

08034-00414

BAND

SN: 10001-UP

2шт.

Выбрано товаров: 13