Запчасти Komatsu S6D125-1K - -

Схема запчастей Komatsu S6D125-1K - - -
FIT
1:1
100%

Артикул

Название

Примечание

Количество

|1

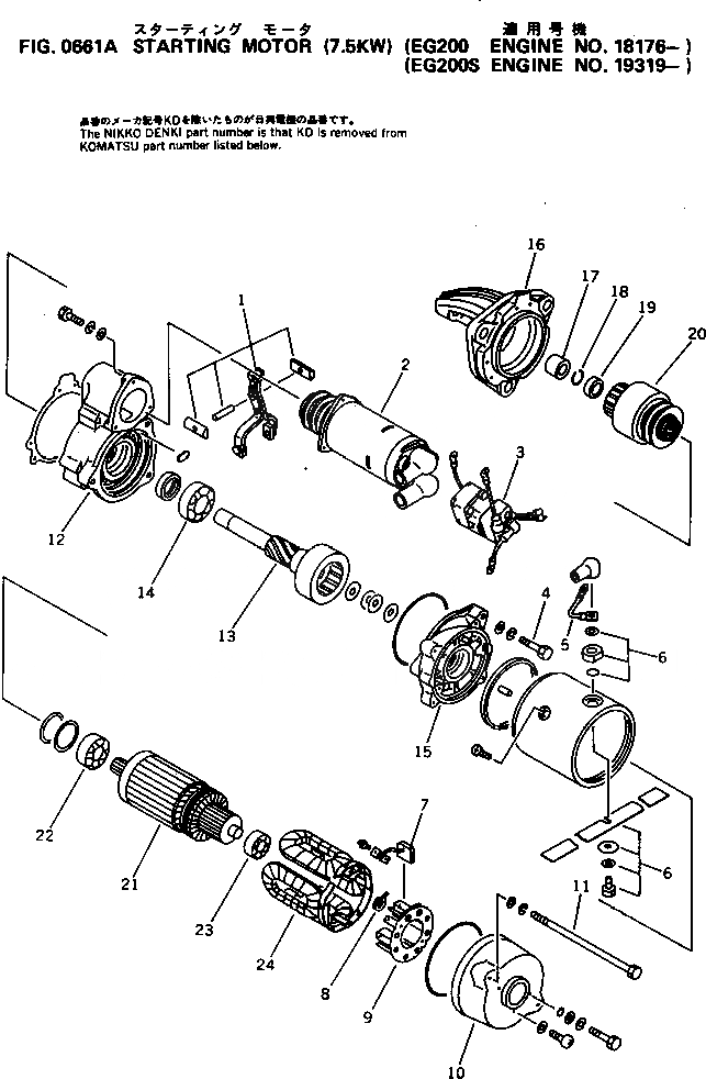
600-813-4530

STARTING MOTOR

SN: 17350-UP

1шт.

1

KD7-23320-0060

LEVER ASS'Y

SN: 17350-UP

1шт.

2

KD0-47100-3940

MAGNETIC SWITCH

SN: 17350-UP

1шт.

3

KD0-25000-6520

SAFETY RELAY

SN: 17350-UP

1шт.

4

KD1-0240-08405

BOLT

SN: 17350-UP

3шт.

5

KD1-23785-0060

WIRE ASS'Y

SN: 17350-UP

1шт.

6

KD7-23780-0200

TERMINAL ASS'Y

SN: 17350-UP

1шт.

|7

KD7-23700-0520

BRACKET ASS'Y

SN: 17350-UP

1шт.

7

KD0-23740-0250

BRUSH

SN: 17350-UP

4шт.

8

KD1-23913-0040

BRUSH SPRING

SN: 17350-UP

4шт.

9

KD0-23750-0250

BRUSH HOLDER AS

SN: 17350-UP

1шт.

10

KD0-23700-0130

BRACKET

SN: 17350-UP

1шт.

11

KD0-23901-0170

BOLT

SN: 17350-UP

2шт.

12

KD0-23600-0250

BRACKET

SN: 17350-UP

1шт.

13

KD7-23120-0310

SHAFT ASS'Y

SN: 17350-UP

1шт.

14

KD1-0454-60067

BALL BEARING

SN: 17350-UP

1шт.

15

KD0-23611-0690

BRACKET

SN: 17350-UP

1шт.

16

KD0-23310-0860

BRACKET ASS'Y

SN: 17350-UP

1шт.

17

KD7-23351-0080

METAL

SN: 17350-UP

1шт.

18

KD1-23914-0020

RING

SN: 17350-UP

1шт.

19

KD1-23181-0020

STOPPER

SN: 17350-UP

1шт.

20

KD1-23500-0170

CLUTCH ASS'Y

SN: 17350-UP

1шт.

21

KD7-23100-0310

ARMATURE ASS'Y

SN: 17350-UP

1шт.

22

KD1-0454-62047

BALL BEARING

SN: 17350-UP

1шт.

23

KD1-0454-62007

BALL BEARING

SN: 17350-UP

1шт.

24

KD0-23230-0281

FIELD COIL ASS'

SN: 17350-UP

1шт.

25

KD7-23920-0100

WASHER ASS'Y

SN: 17350-UP

1шт.

26

KD7-09210-1560

SEAL ASS'Y

SN: 17350-UP

1шт.

Выбрано товаров: 28