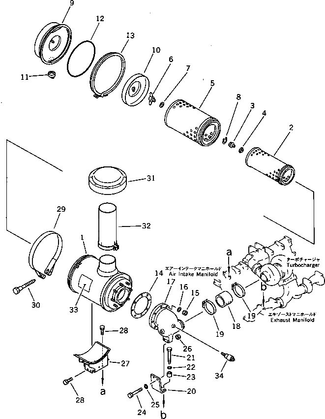
Запчасти Komatsu S6D125-1M ВОЗДУХООЧИСТИТЕЛЬ И КРЕПЛЕНИЕ (С WEATHER КРЫШКА) ГОЛОВКА ЦИЛИНДРОВ

Схема запчастей Komatsu S6D125-1M - ВОЗДУХООЧИСТИТЕЛЬ И КРЕПЛЕНИЕ (С WEATHER КРЫШКА) ГОЛОВКА ЦИЛИНДРОВ
FIT
1:1
100%

Артикул

Название

Примечание

Количество

|1

6151-81-7100

AIR CLEANER ASS'Y

SN: 1001-UP

1шт.

1

6711-81-7110

BODY

SN: 1001-UP

1шт.

|2

6125-81-7032

ELEMENT ASS'Y

SN: 1001-UP

1шт.

2

0

ELEMENT,INNER

SN: 1001-UP

1шт.

3

600-181-9671

NUT

SN: 1001-UP

1шт.

4

600-181-7511

WASHER,SEAL

SN: 1001-UP

1шт.

|5

600-181-4300

ELEMENT ASS'Y,OUTER

SN: 1001-1132

1шт.

5

0

ELEMENT,OUTER

SN: 11574-UP

1шт.

6

600-181-1990

NUT,WING

SN: 11574-UP

1шт.

7

600-181-4591

WASHER,SEAL

SN: 11574-UP

1шт.

8

04064-01510

RING,SNAP

SN: 11574-UP

1шт.

9

6710-82-7121

CUP

SN: 11574-UP

1шт.

10

6710-82-7130

BAFFLE

SN: 11574-UP

1шт.

11

600-181-1590

VALVE

SN: 11574-UP

1шт.

12

6127-81-7190

O-RING

SN: 11574-UP

1шт.

13

600-181-1480

CLAMP

SN: 11574-UP

1шт.

14

6127-81-4821

GASKET (K1)

SN: 11574-UP

1шт.

15

01580-11008

NUT

SN: 11574-UP

8шт.

16

01640-21016

WASHER

SN: 11574-UP

8шт.

17

6151-11-4290

CONNECTOR

SN: 11574-UP

1шт.

18

6151-11-4450

HOSE

SN: 11574-UP

1шт.

19

07281-01159

CLAMP

SN: 11574-UP

2шт.

20

6151-11-4660

BRACKET

SN: 11574-UP

1шт.

21

01010-31040

BOLT

SN: 11574-UP

2шт.

22

01640-21016

WASHER

SN: 11574-UP

2шт.

23

6631-11-5630

SPACER

SN: 11574-UP

2шт.

24

01010-51050

BOLT

SN: 11574-UP

2шт.

25

01640-21016

WASHER

SN: 11574-UP

2шт.

26

01580-11008

NUT

SN: 11574-UP

2шт.

27

6151-11-4590

BRACKET

SN: 11574-UP

1шт.

28

01010-51025

BOLT

SN: 11574-UP

4шт.

29

6691-13-4610

BAND ASS'Y

SN: 11574-UP

1шт.

|29

6691-21-6550

PIN

SN: 11574-UP

1шт.

|29

6691-21-6560

PIN¤ WITH THREAD

SN: 11574-UP

1шт.

30

6643-11-4641

BOLT

SN: 11574-UP

1шт.

31

600-181-1511

CAP

SN: 11574-UP

1шт.

32

6151-81-7920

CONNECTOR

SN: 11574-UP

1шт.

33

09637-00161

PLATE¤ INSTRUCTION,(JAPANESE-ENGLISH)

SN: 11574-UP

1шт.

|33

09637-02161

PLATE¤ INSTRUCTION,(ARABIC)

SN: 11574-UP

1шт.

|33

09637-05161

PLATE¤ INSTRUCTION,(INDONESIAN)

SN: 11574-UP

1шт.

|33

09637-30161

PLATE¤ INSTRUCTION,(ENGLISH)

SN: 11574-UP

1шт.

|33

09637-30261

PLATE¤ INSTRUCTION,(FRENCH)

SN: 11574-UP

1шт.

|33

09637-81161

PLATE¤ INSTRUCTION,(GERMAN)

SN: 11574-UP

1шт.

|33

09637-90261

PLATE¤ INSTRUCTION,(CHINESE)

SN: 11574-UP

1шт.

34

08670-02001

INDICATOR,DUST

SN: 39493-UP

1шт.

|34

0

INDICATOR,DUST (JAPANESE-ENGLISH)

SN: 26055-39492

1шт.

|34

08670-50635

INDICATOR,DUST (JAPANESE-ENGLISH)

SN: 11574-26054

1шт.

|34

08670-01641

INDICATOR,DUST (FRENCH)

SN: 26055-UP

1шт.

|34

08670-50641

INDICATOR,DUST (FRENCH)

SN: 11574-26054

1шт.

|34

08670-11645

INDICATOR,DUST (INDONESIAN)

SN: 26055-UP

1шт.

|34

08670-60645

INDICATOR,DUST (INDONESIAN)

SN: 11574-26054

1шт.

|34

08670-21001

INDICATOR,DUST (GERMAN)

SN: 28718-UP

1шт.

|34

08670-21635

INDICATOR,DUST (GERMAN)

SN: 26055-28717

1шт.

|34

08670-70635

INDICATOR,DUST (GERMAN)

SN: 11574-26054

1шт.

|34

08670-31640

INDICATOR,DUST (CHINESE)

SN: 26055-UP

1шт.

|34

08670-80640

INDICATOR,DUST (CHINESE)

SN: 11574-26054

1шт.

|34

08670-41640

INDICATOR,DUST (ARABIC)

SN: 26055-39492

1шт.

|34

08670-90640

INDICATOR,DUST (ARABIC)

SN: 11574-26054

1шт.

35

6151-81-7680

PLATE,(GERMAN) (NOT SHOWN)

SN: 11574-UP

1шт.

Выбрано товаров: 59