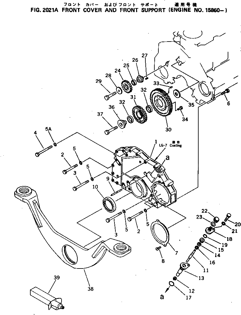
Запчасти Komatsu S6D125-1N ПЕРЕДН. КРЫШКАAND ПЕРЕДН. СУППОРТ(№8-) БЛОК ЦИЛИНДРОВ

Схема запчастей Komatsu S6D125-1N - ПЕРЕДН. КРЫШКАAND ПЕРЕДН. СУППОРТ(№8-) БЛОК ЦИЛИНДРОВ
FIT
1:1
100%

Артикул

Название

Примечание

Количество

1

6150-21-3121

COVER

SN: 15860-UP

1шт.

2

01010-51070

BOLT

SN: 12025-UP

12шт.

3

01010-51075

BOLT

SN: 12025-UP

6шт.

4

01010-51090

BOLT

SN: 12025-.

1шт.

|4

01010-51065

BOLT

SN: .-UP

1шт.

5

01640-21016

WASHER

SN: 12025-UP

18шт.

5A

01640-21016

WASHER

SN: .-UP

1шт.

6

6150-81-9130

BOLT

SN: 12025-UP

4шт.

7

6150-21-3510

COVER

SN: 12025-UP

1шт.

8

6150-21-3220

BOLT

SN: 12025-UP

2шт.

9

6150-21-3390

POINTER

SN: 12025-UP

1шт.

10

6150-21-3230

SEAL¤ FRONT (K2)

SN: 12025-UP

1шт.

|11

6150-81-5100

DRIVE ASS'Y,TACHOMETER

SN: 12025-UP

1шт.

11

6150-81-5120

SHAFT

SN: 12025-UP

1шт.

12

6110-73-3220

GEAR

SN: 12025-UP

1шт.

13

6150-81-5110

BUSHING

SN: 12025-UP

1шт.

14

6150-71-1910

SEAL (K2)

SN: 12025-UP

1шт.

15

6162-73-1960

WASHER

SN: 12025-UP

1шт.

16

6162-73-1970

SPACER

SN: 12025-UP

1шт.

17

07000-03030

O-RING (K2)

SN: 12025-UP

1шт.

18

6150-81-5140

HOUSING

SN: 12025-UP

1шт.

19

07000-02020

O-RING (K2)

SN: 12025-UP

1шт.

20

01014-51030

BOLT

SN: 12025-UP

1шт.

21

01640-21016

WASHER

SN: 12025-UP

1шт.

22

6136-81-5291

CAP

SN: 12025-UP

1шт.

23

6130-82-5270

GASKET (K2)

SN: 12025-UP

1шт.

24

6150-31-6110

GEAR

SN: 12025-UP

1шт.

25

6150-31-6120

BUSHING

SN: 12025-UP

1шт.

26

6150-21-2510

SHAFT

SN: 12025-UP

1шт.

27

04025-00512

PIN

SN: 12025-UP

1шт.

28

6150-21-2520

PLATE

SN: 12025-UP

1шт.

29

01010-31460

BOLT

SN: 12025-UP

1шт.

30

6150-31-6310

GEAR

SN: 12025-UP

1шт.

|31

6150-31-6200

GEAR ASS'Y

SN: 12025-UP

1шт.

31

0

GEAR

SN: 12025-UP

1шт.

32

0

BUSHING

SN: 12025-UP

2шт.

33

6127-21-1260

PIN

SN: 12025-UP

1шт.

34

01010-30825

BOLT

SN: 12025-UP

6шт.

35

6150-21-2420

PLATE

SN: 12025-UP

1шт.

36

6150-21-2410

SHAFT

SN: 12025-UP

1шт.

37

6150-21-2430

BOLT

SN: 12025-UP

1шт.

38

23S-01-11110

SUPPORT

SN: 15860-18644

1шт.

|38

23S-01-16110

SUPPORT

SN: 18645-UP

1шт.

39

09920-00150

LIQUID GASKET,LG-7¤150G

SN: 12025-UP

-2шт.

Выбрано товаров: 44