Запчасти Komatsu S6D125-1N ГЕНЕРАТОР И КРЕПЛЕНИЕ(№-) ЭЛЕКТРИКА

Схема запчастей Komatsu S6D125-1N - ГЕНЕРАТОР И КРЕПЛЕНИЕ(№-) ЭЛЕКТРИКА
FIT
1:1
100%

Артикул

Название

Примечание

Количество

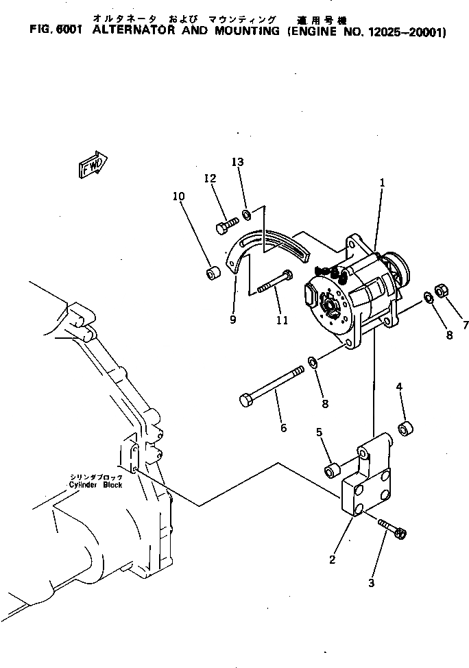
1

600-821-7120

ALTERNATOR A.,(70A)

SN: 12025-20001

1шт.

2

6150-81-6330

BRACKET

SN: 12025-20001

1шт.

3

6150-81-9130

BOLT

SN: 12025-@

4шт.

4

560-43-12470

SPACER

SN: 12025-@

1шт.

5

21T-72-14350

SPACER

SN: 12025-@

1шт.

6

6128-21-6780

BOLT

SN: 12025-@

1шт.

7

02205-10812

NUT

SN: 12025-@

1шт.

8

01640-21426

WASHER

SN: 12025-@

2шт.

9

6150-81-6730

PLATE

SN: 12025-20001

1шт.

10

6631-11-5630

SPACER

SN: 12025-20001

1шт.

11

01010-51090

BOLT

SN: 12025-20001

1шт.

12

01050-51230

BOLT

SN: 12025-@

1шт.

13

01643-31232

WASHER

SN: 12025-@

1шт.

Выбрано товаров: 13