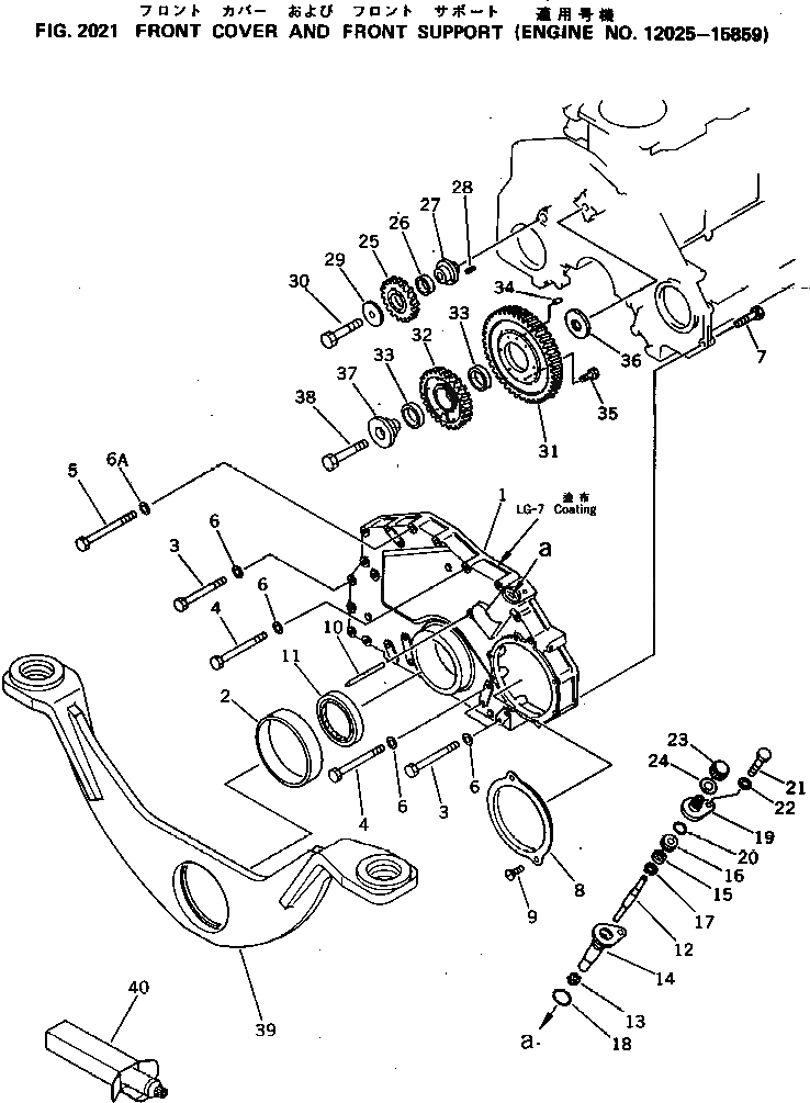
Запчасти Komatsu S6D125-1N ПЕРЕДН. КРЫШКАAND ПЕРЕДН. СУППОРТ(№-89) БЛОК ЦИЛИНДРОВ

Схема запчастей Komatsu S6D125-1N - ПЕРЕДН. КРЫШКАAND ПЕРЕДН. СУППОРТ(№-89) БЛОК ЦИЛИНДРОВ
FIT
1:1
100%

Артикул

Название

Примечание

Количество

|$0

6150-21-3101

COVER ASS'Y

SN: 12025-15859

1шт.

1

0

COVER

SN: 12025-15859

1шт.

2

6150-21-3151

BUSHING

SN: 12025-15859

1шт.

3

01010-51070

BOLT

SN: 12025-@

12шт.

4

01010-51075

BOLT

SN: 12025-@

6шт.

5

01010-51090

BOLT

SN: 12025-.

1шт.

5

01010-51065

BOLT

SN: .-@

1шт.

6

01640-21016

WASHER

SN: 12025-@

18шт.

6A

01640-21016

WASHER

SN: .-@

1шт.

7

6150-81-9130

BOLT

SN: 12025-@

4шт.

8

6150-21-3510

COVER

SN: 12025-@

1шт.

9

6150-21-3220

BOLT

SN: 12025-@

2шт.

10

6150-21-3390

POINTER

SN: 12025-@

1шт.

11

6150-21-3230

SEAL, FRONT (K2)

SN: 12025-@

1шт.

|$14

6150-81-5100

DRIVE ASS'Y,TACHOMETER

SN: 12025-@

1шт.

12

6150-81-5120

SHAFT

SN: 12025-@

1шт.

13

6110-73-3220

GEAR

SN: 12025-@

1шт.

14

6150-81-5110

BUSHING

SN: 12025-@

1шт.

15

6150-71-1910

SEAL (K2)

SN: 12025-@

1шт.

16

6162-73-1960

WASHER

SN: 12025-@

1шт.

17

6162-73-1970

SPACER

SN: 12025-@

1шт.

18

07000-03030

O-RING (K2)

SN: 12025-@

1шт.

19

6150-81-5140

HOUSING

SN: 12025-@

1шт.

20

07000-02020

O-RING (K2)

SN: 12025-@

1шт.

21

01014-51030

BOLT

SN: 12025-@

1шт.

22

01640-21016

WASHER

SN: 12025-@

1шт.

23

6136-81-5291

CAP

SN: 12025-@

1шт.

24

6130-82-5270

GASKET (K2)

SN: 12025-@

1шт.

25

6150-31-6110

GEAR

SN: 12025-@

1шт.

26

6150-31-6120

BUSHING

SN: 12025-@

1шт.

27

6150-21-2510

SHAFT

SN: 12025-@

1шт.

28

04025-00512

PIN

SN: 12025-@

1шт.

29

6150-21-2520

PLATE

SN: 12025-@

1шт.

30

01010-31460

BOLT

SN: 12025-@

1шт.

31

6150-31-6310

GEAR

SN: 12025-@

1шт.

|$35

6150-31-6200

GEAR ASS'Y

SN: 12025-@

1шт.

32

0

GEAR

SN: 12025-@

1шт.

33

0

BUSHING

SN: 12025-@

2шт.

34

6127-21-1260

PIN

SN: 12025-@

1шт.

35

01010-30825

BOLT

SN: 12025-@

6шт.

36

6150-21-2420

PLATE

SN: 12025-@

1шт.

37

6150-21-2410

SHAFT

SN: 12025-@

1шт.

38

6150-21-2430

BOLT

SN: 12025-@

1шт.

39

23S-01-11110

SUPPORT

SN: 12025-15859

1шт.

40

09920-00150

LIQUID GASKET,LG-7,150G

SN: 12025-@

-2шт.

Выбрано товаров: 45