Запчасти Komatsu S6D125-1N КОРОМЫСЛО И КОЖУХ ГОЛОВКА ЦИЛИНДРОВ

Схема запчастей Komatsu S6D125-1N - КОРОМЫСЛО И КОЖУХ ГОЛОВКА ЦИЛИНДРОВ
FIT
1:1
100%

Артикул

Название

Примечание

Количество

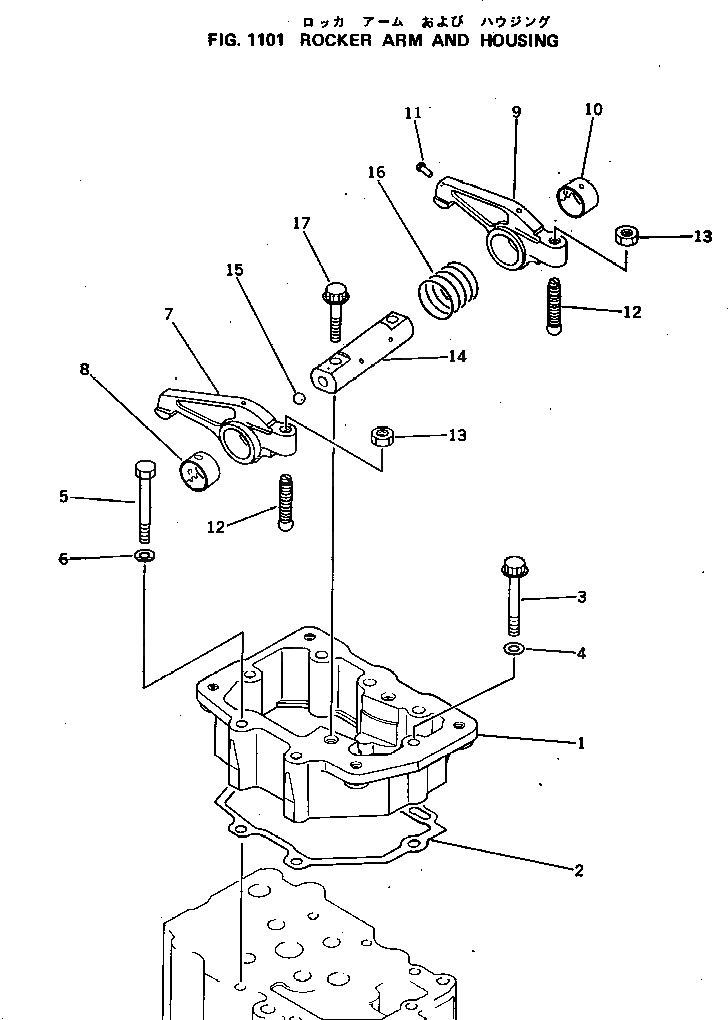
1

6150-11-7110

HOUSING

SN: 12025-UP

6шт.

2

6150-11-7810

GASKET (K1)

SN: 12025-UP

6шт.

3

6150-81-9140

BOLT

SN: 12025-UP

40шт.

4

01640-21016

WASHER

SN: .-UP

40шт.

4

0

WASHER

SN: 12025-.

40шт.

5

01010-51095

BOLT

SN: 12025-UP

2шт.

6

01640-21016

WASHER

SN: 12025-UP

2шт.

|$7

6150-41-5400

ARM ASS'Y,INTAKE

SN: 12025-UP

6шт.

7

6150-41-5410

ARM,ROCKER

SN: 12025-UP

1шт.

8

6150-41-5420

BUSHING

SN: 12025-UP

1шт.

|$10

6150-41-5500

ARM ASS'Y,EXHAUST

SN: 12025-UP

6шт.

9

6150-41-5510

ARM,ROCKER

SN: 12025-UP

1шт.

10

6150-41-5420

BUSHING

SN: 12025-UP

1шт.

11

6162-43-5340

RIVET

SN: 12025-UP

1шт.

12

6150-41-5540

SCREW

SN: 12025-UP

12шт.

13

01582-01008

NUT

SN: 12025-UP

12шт.

|$16

6150-41-5300

ROCKER ARM SHAFT A.

SN: 12025-UP

6шт.

14

0

SHAFT

SN: 12025-UP

1шт.

15

0

BALL

SN: 12025-UP

1шт.

16

6150-41-5320

SPRING

SN: 12025-UP

6шт.

17

6150-81-9370

BOLT

SN: 12025-UP

12шт.

Выбрано товаров: 21